| X10 RS485 aansluiting | |||
| Afbeelding | Pin | Naam | Omschrijving |
|---|---|---|---|
| 1 | B- | RS485 Negatief signaal |
| 2 | A+ | RS485 Positief signaal | |
| 3 |
| RS485 SHIELD (ISOGND) | |
Embion EMS Controller Gebruikershandleiding
Auteursrecht © Embion B.V. Alle rechten voorbehouden.
Geen enkel deel van dit document mag worden gereproduceerd, of worden gepubliceerd in welke vorm dan ook, elektronisch, door foto’s, opnemen, of anderszins, zonder de voorafgaande schriftelijke toestemming van Embion B.V.. De informatie in dit document kan zonder kennisgeving worden gewijzigd. Embion B.V. geeft geen garantie van welke aard dan ook met betrekking tot deze informatie, inclusief maar niet beperkt tot de impliciete garanties van verkoopbaarheid en geschiktheid voor een bepaald doel. Embion B.V. is niet aansprakelijk voor fouten hierin of voor incidentele of gevolgschade in verband met de verstrekking, prestatie, of het gebruik van dit materiaal.
Disclaimer
Door dit product te gebruiken, erkent en accepteert de gebruiker deze volledige disclaimer.
De Embion EMS Controller is ontworpen voor gebruik in elektrische systemen, maar het is geen veiligheidsapparaat. Het is de verantwoordelijkheid van de gebruiker om ervoor te zorgen dat het systeem is uitgerust met de nodige veiligheidsmaatregelen om te beschermen tegen mogelijke gevaren. Als de gebruiker niet zeker is van de veiligheidseisen van hun elektrische systeem, moeten ze overleggen met een gekwalificeerde installateur of distributeur om te bepalen welke aanvullende componenten of redundantie maatregelen nodig kunnen zijn. Embion B.V. kan niet aansprakelijk worden gesteld voor eventuele schade of letsels als gevolg van het gebruik van de Embion EMS Controller zonder de juiste veiligheidsmaatregelen.
Uitsluitingen/Beperkingen Aansprakelijkheid
In geval van een toerekenbare tekortkoming is Embion gehouden haar contractuele verplichtingen alsnog na te komen. Een eventuele aansprakelijkheid van Embion is beperkt tot hetgeen in deze bepaling is geregeld.
De eventuele aansprakelijkheid van Embion, gebaseerd op welke rechtsgrond dan ook, kan er niet toe leiden dat zij een geldbedrag aan haar afnemer zal moeten betalen dat hoger is dan het bedrag dat uit hoofde van een door Embion gesloten verzekering in een voorkomend geval wordt uitbetaald.
Als Embion om welke reden dan ook geen beroep toekomt op lid 2 van dit artikel, is de verplichting tot het betaling van enig bedrag, uit welken hoofde dan ook, beperkt tot maximaal de koopprijs (exclusief BTW), vermeerderd met 15%. Als de overeenkomst tussen Embion en haar afnemer bestaat uit onderdelen of deelleveringen, is deze verplichting beperkt tot de koopprijs van dat onderdeel of die deellevering (exclusief BTW), vermeerderd met 15%.
De eventuele verplichting van Embion tot het vergoeden van schade is voorts beperkt tot hetgeen hierna in deze bepaling is geregeld.
Embion kan uitsluitend aansprakelijk zijn voor directe schade. Aansprakelijkheid voor indirecte schade en voor nadeel dat niet in vermogensschade bestaat, is nadrukkelijk uitgesloten.
Onder directe schade wordt uitsluitend verstaan de redelijke kosten ter vaststelling van de oorzaak en de omvang van de schade, voor zover de vaststelling betrekking heeft op schade in de zin van deze voorwaarden, de eventuele redelijke kosten gemaakt om het door Embion geleverde product aan de overeenkomst te laten beantwoorden, voor zover deze aan Embion toegerekend kunnen worden en redelijke kosten, gemaakt ter voorkoming of beperking van directe schade als bedoeld in deze algemene voorwaar-den.
Onder indirecte schade wordt onder meer, maar niet uitsluitend, verstaan: stagnatie-schade, geleden (productie-)verlies, energiekosten, terugleverkosten, netwerkkosten of -vergoedingen, misgelopen saldering, gemiste besparingen, gederfde winst, boetes, belastingen, taksen, gemiste belastingvoordelen en gemiste subsidies.
De totale aansprakelijkheid van Embion is beperkt zijn tot hetgeen hiervoor is bepaald.
De afnemer vrijwaart Embion voor aanspraken van derden, uit welken hoofde dan ook, die in verband met de uitvoering van de overeenkomst tussen Embion en haar afnemer schade lijden en waarvan de oorzaak aan een ander dan aan Embion toerekenbaar is.
Garantie voor de Embion EMS Controller
Embion B.V. biedt een beperkte garantie voor de Embion EMS Controller (het “Product”) aan de oorspronkelijke koper (“Koper”) voor een periode van twee (2) jaar vanaf de datum van aankoop.
Embion B.V. garandeert dat het Product vrij zal zijn van materiaal- en fabricagefouten bij normaal gebruik en onderhoud. Als er tijdens de garantieperiode defecten in het product optreden, zal Embion B.V. naar eigen keuze en kosten het defecte product repareren of vervangen, of de aankoopprijs betaald door de koper terugbetalen.
Deze garantie dekt geen schade veroorzaakt door misbruik, verkeerd gebruik, ongeval, verwaarlozing of ongeautoriseerde wijziging van het product. De garantie dekt ook geen schade veroorzaakt door natuurrampen.
Om aanspraak te maken op garantie, moet de koper een bewijs van aankoop verstrekken en contact opnemen met de verkoper van de Embion EMS Controller. De verkoper zal instructies geven over hoe het defecte product geretourneerd kan worden en hoe een vervanging of terugbetaling verkregen kan worden.
DEZE GARANTIE IS DE ENIGE UITDRUKKELIJKE GARANTIE GEMAAKT DOOR Embion B.V. MET BETREKKING TOT HET PRODUCT. Embion B.V. WIJST UITDRUKKELIJK ALLE ANDERE GARANTIES AF, INCLUSIEF MAAR NIET BEPERKT TOT GEÏMPLICEERDE GARANTIES VAN VERKOOPBAARHEID EN GESCHIKTHEID VOOR EEN BEPAALD DOEL. IN GEEN GEVAL ZAL Embion B.V. AANSPRAKELIJK ZIJN VOOR ENIGE INCIDENTELE, SPECIALE OF GEVOLGSCHADE VOORTVLOEIEND UIT OF IN VERBAND MET HET PRODUCT OF DEZE GARANTIE.
Sommige rechtsgebieden staan geen beperkingen toe op hoelang een impliciete garantie duurt of de uitsluiting of beperking van incidentele of gevolgschade, dus de bovenstaande beperkingen zijn mogelijk niet van toepassing op de koper. Deze garantie geeft de koper specifieke wettelijke rechten, en de koper kan ook andere rechten hebben die variëren van rechtsgebied tot rechtsgebied.
Deze garantie wordt beheerst door en zal worden uitgelegd in overeenstemming met de wetten van Nederland zonder uitvoering te geven aan enige keuze van wet- of conflictenrechtbepalingen. Elk geschil voortvloeiend uit of in verband met deze garantie zal worden opgelost door de rechtbanken van Nederland.
Over dit document
Doel
Dit document introduceert de Embion EMS Controller in termen van installatie, configuratie, systeemwerking, onderhoud en probleemoplossing. Begrijp de functies en veiligheidsmaatregelen van de Embion EMS Controller zoals beschreven in dit document voordat u de Embion EMS Controller installeert en bedient.
Om een identieke menu lay-out te garanderen, moet u ervoor zorgen dat het versienummer van dit document overeenkomt met de softwareversie van de Embion EMS Controller.
Dit product heeft een nieuwe naam gekregen. Informatie in dit document die betrekking heeft op firmwareversies lager dan v5.0.0 is ook van toepassing op de SolarGateway. Ondanks de naamswijziging blijven installatie-, configuratie- en bedieningsprocedures ongewijzigd. Functies en integraties die zijn geïntroduceerd in versie 5.0.0 en later worden niet ondersteund op de SolarGateway. Om te profiteren van de nieuwste functies en integraties, upgrade uw apparaat naar Embion EMS.
Doelgroep
Dit document is bedoeld voor opgeleid personeel, systeemingenieurs die de Embion EMS Controller in hun systeemontwerp gebruiken.
Symboolconventies
De symbolen die in dit document worden gebruikt, worden als volgt gedefinieerd:
Gebruikt voor algemene opmerkingen in deze documentatie.
Gebruikt voor het uiten van waarschuwingen in deze documentatie.
Gebruikt voor belangrijke opmerkingen in deze documentatie.
Gebruikt voor algemene tips in deze documentatie.
Gebruikt voor voorzichtigheid opmerkingen in deze documentatie.
Geschiedenis
V5.3.2
Improvements:
- Verbeteringen voor uploaden batterij setpoints
- Verbeteringen voor forceren van batterij laden voor PV-reductie
03/03/2026
V5.3.1
New features:
- Ondersteuning voor meerdere functie codes in Modbus server toegevoegd
- Ondersteuning voor nieuwe licentie structuur toegevoegd
Improvements:
- Verbeteringen voor Deye HV inverters
- Verbeteringen voor Solax Aelio inverters
- Verbeteringen voor EVBox
- Verbeteringen voor ABB PVS
- Verbeteringen voor Fox GMAX
26/02/2026
V5.3.0
Nieuwe functies:
- Lezen op meerdere registers tegelijkertijd voor Modbus-server
- Upload van GPO-statussen toegevoegd
- Ondersteuning toegevoegd voor inverse TCP-verbindingen
- Optie toegevoegd voor notificatie-triggers
- Optie toegevoegd om PV-teruglevering te prioriteren
- Ondersteuning toegevoegd voor SAJ R6 en C6
- Ondersteuning toegevoegd voor FOX GMAX ECU
- Ondersteuning toegevoegd voor Alp-EV Duo
- Ondersteuning toegevoegd voor Eaton Hybrid
- Ondersteuning toegevoegd voor Kstar Hybrid
- Ondersteuning toegevoegd voor Hypontech
- Ondersteuning toegevoegd voor Autel AC Ultra
- Ondersteuning toegevoegd voor Enovates lader
- Ondersteuning toegevoegd voor CNTE Star H
- Ondersteuning toegevoegd voor Hager H3 meters
- Ondersteuning toegevoegd voor Hager SM meters
- Ondersteuning toegevoegd voor ZTT M261
- Ondersteuning toegevoegd voor Kstar BC107DE
- Ondersteuning toegevoegd voor SMA Business charger
- Ondersteuning toegevoegd voor Ekoenergetyka DC chargers
Verbeteringen:
- Verbeterde Modbus timing
- Snellere opstarttijd van apparaten
- Bijgewerkt BESS-besturingsalgoritme
- Bijgewerkte SG_Ready bij gebruik in de laagste prioriteit
06/02/2026
V5.2.5
Verbeteringen:
- Verbetering voor ABB PVS
- Verbetering voor SolaX Aelio
- Verbetering voor Chint DTSU666 (Gain)
03/03/2026
V5.2.4
Verbeteringen:
- Oplossing voor het doorvoeren van EPEX regels na licentie-upgrade
29/01/2026
V5.2.3
Verbeteringen:
- Verbeteringen voor GPO weergave
- Verbeteringen voor EVBOX
- Verbeteringen voor SG-ready
23/01/2026
V5.2.2
Verbeteringen:
- Verbetering voor Maxus V1 protocol
24/12/2025
V5.2.1
Nieuwe functies:
- Ondersteuning voor beide Maxus V1 en Maxus V2 toegevoegd
Verbeteringen:
- Verbetering in Growatt VPP batterij sturing
- Verbetering in uitlezen Ratio
- Verbetering in uitlezen ABB PVS
- Verbetering in uitlezen Acrel ACR10 and DTSD1352
- Verbetering in IME EC-protocollen i.v.m. firmware-inconsistenties tussen zelfde IME EC-meters
- Verbetering in uitlezen batterij-vermogen Faro
- Verbetering in SolaX Aelio sturing
05/12/2025
V5.2.0
Nieuwe functies:
- Ondersteuning toegevoegd voor geplande installatiebesturing via API
- Ondersteuning toegevoegd voor batterij SoC sturing via API
- Ondersteuning toegevoegd voor uitvoeren van EPEX-regels wanneer offline
- Ondersteuning toegevoegd voor Smappee AC-laders
- Ondersteuning toegevoegd voor Smappee DC-laders
- Ondersteuning toegevoegd voor Growatt VPP
- Ondersteuning toegevoegd voor Ecotap
- Ondersteuning toegevoegd voor RTI
- Ondersteuning toegevoegd voor Zonbalans voor Embion EMS
Verbeteringen:
- Snellere menu-synchronisatie met HUB
- Verbeterde sturing wanneer de hoofdmeter(s) niet bereikbaar is/zijn
- Weergavenaam correctie voor sommige drivers
- Extra parameters voor cascade toegevoegd
14/11/2025
V5.1.1
Verbeteringen:
- Kleine verbeteringen
23/10/2025
V5.1.0
Nieuwe functies:
- Ondersteuning toegevoegd voor Growatt ShineMaster BESS
- Ondersteuning toegevoegd voor QuSolar BESS
- Ondersteuning toegevoegd voor Beny AC laders
- Ondersteuning toegevoegd voor 0-10V besturing van randapparatuur (TBD)
- Ondersteuning toegevoegd voor 40x schaling van P1 energiemeter
- Ondersteuning toegevoegd voor AccuPower BESS
- Ondersteuning toegevoegd voor Dyness EMS
- Ondersteuning toegevoegd voor go-e EV lader
- Ondersteuning toegevoegd voor SolaX EMS Pro
- Ondersteuning toegevoegd voor peergen PowerPeer
- Ondersteuning toegevoegd voor Siemens PAC1665 7KT
- Extra gegevens toegevoegd voor omvormers, ev-laders en meters voor gebruik in HUB
Verbeteringen:
- Verbeterde menu synchronisatie met HUB
- Verbeterde menu teksten voor sturingsregels
- Verbeterde Wi-Fi scan
- Verbeterde EV-laderbesturing bij aansturing via API-commando's
- Verbeterde Schneider Ecostruxure besturing
- Verbeterde KStar besturing
- Verbeterde communicatie na herstarten controllable load.
- Verbeterde sturing op net stromen
- Verbeterde uitlezing P1 meter
- Verbeterde Sungrow Powerstack sturing
- Verbeterde uitlezing van GoodWe Hybrid
22/10/2025
V5.0.4
Verbeteringen:
- Verbetering in Gotion BESS sturing
09/09/2025
V5.0.3
Verbeteringen:
- Deye sturing
- kleine aanpassingen
08/09/2025
V5.0.2
Verbeteringen:
- Toevoeging van snelle regeling optie
- Verbetering in Sofar G3 protocol
- Verbetering in Sunspec protocollen
29/08/2025
V5.0.1
Verbeteringen:
- Verbetering Delta sunspec protocol
- Verbetering in licentie selectie
11/08/2025
V5.0.0
Nieuwe functies:
- Ondersteuning voor de ABB D11/D13 toegevoegd
- Ondersteuning voor de ABB TMax toegevoegd
- Ondersteuning voor de Acrel ACR10 toegevoegd
- Ondersteuning voor de AmpiTower toegevoegd
- Ondersteuning voor de Autel DC Charger toegevoegd
- Ondersteuning voor de Autel MaxiCharger AC-wallbox toegevoegd
- Ondersteuning voor de Beny DC Charger toegevoegd
- Ondersteuning voor de Cellpower 102-50 toegevoegd
- Ondersteuning voor de Easee toegevoegd
- Ondersteuning voor de EcoBatt toegevoegd
- Ondersteuning voor de Elinex toegevoegd
- Ondersteuning voor de Faro toegevoegd
- Ondersteuning voor de Finder 7M24 toegevoegd
- Ondersteuning voor de Finder 7M38 toegevoegd
- Ondersteuning voor de Fudura Module toegevoegd
- Ondersteuning voor de Gotion BESS toegevoegd
- Ondersteuning voor de GridXense toegevoegd
- Ondersteuning voor de Hager Witty toegevoegd
- Ondersteuning voor de Joulz toegevoegd
- Ondersteuning voor de Kstar toegevoegd
- Ondersteuning voor de Nexblue toegevoegd
- Ondersteuning voor de Nidec DC Charger toegevoegd
- Ondersteuning voor de OX Energy B-OX L toegevoegd
- Ondersteuning voor de Ratio IO7 toegevoegd
- Ondersteuning voor de RCT CESS200 toegevoegd
- Ondersteuning voor de SolaX X3 Mega toegevoegd
- Ondersteuning voor de Sungrow IDC 180E toegevoegd
Verbeteringen:
- Verbetering in stuursnelheid van batterij en EV laders
- Verbeteringen in EMS licentie selectie
11/08/2025
V4.7.1
Verbeteringen:
- Verbetering in PV reductie
- Verbetering in PV reductie voor Delta omvormers
- Verbetering in meerdere sockets voor 1 EV lader
- Verbetering voor meerdere zon meters
- Verbetering in de verwerking van ruis in de EVBOX communicatie
23/06/2025
V4.7.0
Nieuwe functies:
- Optie om eigen verbruik te compenseren met batterij
- Instelbaar gegevensuploadinterval om internetgebruik te beperken
- Functie om PV omvormers tot minimaal 5% te reduceren toegevoegd
- 15-minuten vermogensregeling toegevoegd
- Ondersteuning toegevoegd voor Boltainer BBT
- Ondersteuning toegevoegd voor Peblar AC lader
- Ondersteuning toegevoegd voor SMA hybride
- Ondersteuning toegevoegd voor Sungrow Powerstack
- Ondersteuning toegevoegd voor Ferroamp hybride omvormer (geen PV sturing)
- Ondersteuning toegevoegd voor Fudura meter module
- Ondersteuning toegevoegd voor Acrel ACR10 meter
- Ondersteuning toegevoegd voor Flexicharge AC laders
- Ondersteuning toegevoegd voor Sinexcel SEC240
- Ondersteuning toegevoegd voor ABB D11/D13 meter
- PV sturing for Deye HV (firmware versie 1095 of nieuwer)
- PV-sturing toegevoegd voor Solax X3 ultra
- Sturing voor Eaton XStorage toegevoegd
Verbeteringen:
- Meetgegevens behouden wanneer apparaat offline is
- Verbeterd taalselectieproces
- Betere vermogensberekening voor offline apparaten
- Fix voor Solis hybride batterijvermogenteken
- Verbeterde Growatt v2 zonne-energie berekening
- Verbeterde Deye HV uitlezing
15/05/2025
V4.6.0
Nieuwe functies:
- Ondersteuning toegevoegd voor nieuw licentie model
Verbeteringen:
- Ondersteuning voor FutureNED EV193 gewijzigd naar batterij
27/03/2025
V4.5.0
Nieuwe functies:
- Ondersteuning voor Storion G2 toegevoegd
- Ondersteuning PV sturing voor Sigenergy toegevoegd
- Ondersteuning voor Chint DTS666 (Gain) toegevoegd (zie Bijlagen)
- Ondersteuning voor Solax Aelio toegevoegd
Verbeteringen:
- Ontladen van batterij via API toestaan terwijl opladen met net teruglevering is ingeschakeld
- Correctie fase 3 netstroom schaal in Modbus server
- Verbetering opslaan / herstellen gebruikersinstellingen en configuratie
25/03/2025
V4.4.0
Nieuwe functies:
- Ondersteuning voor FutureNED EV193 toegevoegd (alleen laadvermogen AC-zijde beschikbaar)
- Ondersteuning voor Aiswei (Solplanet) omvormers toegevoegd
- Ondersteuning voor Renepoly Parallel BESS systemen toegevoegd
- Ondersteuning voor Amtron Professional toegevoegd
- Ondersteuning voor meter types wind en generator
Verbeteringen:
- Verbetering in Modbus TCP snelheid
- Verbetering van de "gebruik PV voor import limiet" functie
28/02/2025
V4.3.4
Verbeteringen:
- Correctie voor opbrengstberekening van verschillende omvormers
24/02/2025
V4.3.3
Verbeteringen:
- Modbus server register offsets en herconnectiviteit opgelost
- Verbeterde PV-sturing
18/02/2025
V4.3.2
Verbeteringen:
- Correctie voor Cubenergy PowerCombo
- Sta het gebruik van meerdere TCP poorten bij 1 IP en unit id toe
11/02/2025
V4.3.1
Verbeteringen:
- Herstel leeg configuratie menu
07/02/2025
V4.3.0
Nieuwe functies:
- Ondersteuning voor Sigenergy toegevoegd (geen PV sturing, geen totale PV opwek)
- Ondersteuning voor Cubenergy PowerCombo toegevoegd
Verbeteringen:
- Verbetering voor het omgaan met offline apparaten
- Correctie in Modbus server Holding Registers
- Correctie voor ongeldige waardes SMA datalogger
07/02/2025
V4.2.0
Nieuwe functies:
- Modbus TCP server functionaliteit toegevoegd
- Ondersteuning voor de FOX-ESS GMax toegevoegd
- Ondersteuning voor de Weiheng V2 toegevoegd
- Ondersteuning voor de EVBox G3 & G4 toegevoegd
- Stuurfunctionaliteit voor de Ctek lader toegevoegd (Firmware versie r4.9 of nieuwer)
- Ondersteuning voor Kempower DC lader toegevoegd (geen totaal geladen energie)
Verbeteringen:
- Correctie voor SolaX 3PH omvormer
- Correctie op Sungrow opbrengst data
- Naam veranderd van Myrtillo naar eCactus TH Hybrid
04-02-2025
V4.1.0
Nieuwe functies:
- Ondersteuning voor de SolaX X3 Ultra toegevoegd
- Ondersteuning voor de Studer Next3 toegevoegd
- Ondersteuning voor de Myrtillo toegevoegd (Geen PV support)
- Ondersteuning voor regelbare last toegevoegd aan randapparatuur
- Ondersteuning voor de Schneider EVLink Pro AC toegevoegd (Software versie 1.2.1 en nieuwer)
Verbeteringen:
- Batterij vermogen regeling verbeterd
08-01-2025
V4.0.0
Nieuwe functies:
- Automatische correctie toegevoegd voor negatieve netinstellingen
- MLOEA tap functie toegevoegd
- Zon meter optie toegevoegd
- Update configuratie-instellingen toegevoegd via HUB
- Ondersteuningsfunctie toegevoegd aan HUB
- Wi-Fi signaalsterkte toegevoegd aan HUB
Verbeteringen:
- Wi-Fi-netwerklijst volgorde aangepast
- Welkomstscherm bijgewerkt voor nieuwe installaties
12-12-2024
V3.6.1
Verbeteringen:
- Probleem opgelost waarbij sommige omvormers hun opbrengstgegevens niet uploaden
- Modbus stabiliteit verbeterd
12-11-2024
V3.6.0
Nieuwe functies:
- Wi-Fi functionaliteit
- Support voor Siemens PAC2200 7KM en Schneider PM8000 series energie meters
- Support voor ALP-EV, Vestel en Amtron 4you EV laders
- Support voor Cellpower batterij systeem
- Support voor Chint zonomvormers
- Verbeterde dagopbrengst berekeningen
- Automatische activering van licenties
Verbeteringen:
- Verbetering van Huawei Hybrid communicatie
20-11-2024
V3.5.1 - Probleem met correct instellen van omvormers verholpen. 28-10-2024
V3.5.0 - Optimalisatie van aansturing EV laders, Probleem met uitzonderlijke MLOEA configuraties opgelost, Voltage metingen voor EV laders toegevoegd. Verbeteringen in het uploaden van apparaat data. Battery Sofar Power Magic toegevoegd. Verbetering in batterij sturing. Fabrieksreset optie toegevoegd. 16-10-2024
V3.4.0 - Victron Battery systeem toegevoegd, Autarco omvormer toegevoegd, ABL eM4 ev lader toegevoegd, Phoenix EEM energie meter toegevoegd. Modbus stabiliteit verbeterd. 21-8-2024
V3.3.1 - Probleem berekening van het totale EV-ladervermogen voor Orbis-laders verholpen. Probleem waarbij de GPIO-besturing op enkel is geselecteerd, terwijl velden niet zijn ingevuld verholpen. 6-8-2024
V3.3.0 - Voeg ondersteuning toe voor Solax Trene batterijen en GoodWe-HT omvormers. Voeg ondersteuning voor Ctek EV lader toe (geen vermogens sturing). Batterij automatisch laden als SoC onder de minimale SoC komt. Voeg optioneel een controller toe voor PV vrijgave met import beperking bij min generation. Voeg ondersteuning toe voor GPIO controle op gesommeerde lastmeter, gesommeerd batterij vermogen en PRIO. Lost probleem op bij het besturen van meerdere batterijen. 2-8-2024
V3.2.1 - Verbeter (gewogen) SoC en gesommeerde (installatie) batterij vermogen berekening. 16-7-2024
V3.2.0 - Groepsbesturing mogelijk maken voor GPIO op externe modules. Toestaan van dezelfde Unit ID’s op meerdere TCP-apparaten. Uploaden van installatie batterij vermogen en SoC en EV-lader vermogen. Fronius omvormer, Deye HV batterij omvormer, Schneider IEM 3 fase en Inepro PRO380 energie meter toegevoegd. Correctie van IME Nemo EC uitlezing. Probleem met Alfen energie standen opgelost. Algemene verbeteringen. 15-7-2024
V3.1.2 - probleem met Solax omvormers verholpen, Arbeidsfactor for IME NEMO energie meter gecorrigeerd. 18/6/2024
V3.1.1 - probleem met Huawei Bess en OX power batterij verholpen. 6/6/2024
V3.1.0 - Weiheng batterij toegevoegd. Deye maximale strings gecorrigeerd. Apparaatlijsten zijn in alfabetische volgorde gezet. 29/5/2024
V3.0.0 - Interne systeemarchitectuur upgrade. OX Energy B-OX XL batterij systeem toegevoegd, IME Nemo EC energiemeter toegevoegd. Sta configureerbare schaalfactor toe voor P1 energiemeter. 17/5/2024
V2.14.2 - Probleem met netmeting upload naar HUB portaal verholpen. 18/4/2024
V2.14.1 - Verbeter zonbalans strategie en problemen activatie van reductie op Sungrow veholpen. 16/4/2024
V2.14.0 - Huawei hybrid omvormer, Maxus Batterij en GoodWe hybride omvormer toegevoegd. Socomec Diris B10 en IME Conto energie meter toegevoegd. Schalings probleem met ABB B23/B24 meter verholpen. 8/4/2024
V2.13.0 - Huawei SL BESS systeem toegevoegd, onderscheid gemaakt in Chint DTSU666 (series en normaal). Ondersteuning voor Ratio EV lader toegevoegd. Afore HV voor HV batterij systemen toegevoegd. Veiligheidsmarge voor actief vermogensregeling toegevoegd. 8/3/2024
V2.12.0 - Batterij SoC instellingen toegevoegd. Foutmeldingen verbetert. Probleem met Schneider IEM 1 fase energie meter export energie verholpen. Algemene bugfixes en verbeteringen voor stabiliteit. 13/2/2024
V2.11.0 - Ondersteuning voor GoodWe en GoodWe-MT omvormer. Grote AC waardes in de nacht voor ABB PVS omvormers verholpen. 24/1/2024
V2.10.0 - Ondersteuning voor Megarevo hybride omvormer, Sungrow omvormer en Schneider IEM 1 fase meter toegevoegd. Verdere ondersteuning voor batterij sturing. Ondersteuning voor 1 fase net aansluitingen. Stabiliteits verbeteringen. 19/1/2024
V2.9.0 - Ondersteuning voor batterij besturing toegevoegd. Ondersteuning voor Solis hybride, Boltainer batterij, Pixii batterij, Ferroamp en Afore hybride. Ondersteuning voor IME Nemo, Mbus gateway en CarloGavazzi energie meters. Schalings probleem met Jantiza meter verholpen. 2/1/2024
V2.8.2 - Algemene bugfixes en verbeteringen voor stabiliteit. 12/12/2023
V2.8.0 - Ondersteuning toegevoegd voor Zeversolar- en Solis-omvormers, rebranding Counteren naar Zonbalans met nieuwe specificaties. 9/11/2023
V2.7.1 - Netwerkstatische fix, ABB M4M IL2 fix 3/11/2023
V2.7.0 - Ondersteuning toegevoegd voor Sneider 7KT, Huawei SL-meter en ABB M4M energiemeters. 2/11/2023
V2.6.1 - Fix EV-laadregeling zonder omvormers, Fix Eastron power factor uitlezing. 27/10/2023
V2.6.0 - Ondersteuning toegevoegd voor Altilia, Eaton Xstorage, Deye en Sofar G3 Hybrid omvormers en Chint DTSU666 energiemeter. TCP IP-configuratie opgelost. 29/09/2023
V2.5.0 - Toevoegen van ABB PVS-omvormer. Bugfix voor GPO-configuratie in algemeen sjabloon. 20/09/2023
V2.4.0 - Nieuwe limieten voor Counterstrategie. Toestaan van prio-selectie voor gecontroleerde belastingen. Gegevenscompressie inschakelen op de portalverbinding om de benodigde internetgegevens aanzienlijk te verminderen. Kleine wijzigingen en bugfixes. 11/09/2023
V2.3.0 - Toevoegen van “lage vermogenslimiet” controle voor generieke strategie. Verbeteren van Counter strategie met eisen Enexis. Ondersteuning toegevoegd voor EV-laders. Kleine wijzigingen. 15/08/2023
V2.2.1 - Toevoegen van gridvoltage controle, actieve vermogenscontrole en GPIO controle. Update ondersteunde omvormerlijst en ETH0- en ETH1-instellingen. Kleine wijzigingen. 21/07/2023
V2.1.0 - Disclaimer bijgewerkt, IP-bereikconfiguratie toegevoegd voor omvormer, meter EV-lader en hulpmiddelen, toegevoegd split zonne- en netoptie voor belastingsmeters, MLOEA-configuratie toegevoegd voor netmeter en systeemtaalconfiguratie toegevoegd. Garantie-informatie toegevoegd. 11/04/2023
V2.0.0 - Eerste release van de gebruikershandleiding 10/03/2023
Veiligheidsinformatie
Algemene veiligheid
Verklaring
Voordat u het apparaat installeert, bedient of onderhoudt, lees dit document en volg alle veiligheidsinstructies op het apparaat en in dit document.
De “Waarschuwing” en “Voorzichtigheid” verklaringen in dit document dekken niet alle veiligheidsinstructies. Ze zijn slechts aanvullingen op de veiligheidsinstructies. Embion B.V. is niet aansprakelijk voor enige gevolgen veroorzaakt door schending van algemene veiligheidsvereisten.
Zorg ervoor dat het apparaat wordt gebruikt in omgevingen die voldoen aan de ontwerpspecificaties. Anders kan het apparaat defect raken, resulterend in storingen, schade aan componenten, persoonlijk letsel of schade aan eigendommen die niet worden gedekt door de productgarantie.
Volg lokale wetten en voorschriften bij het installeren, bedienen of onderhouden van het apparaat. De veiligheidsinstructies in dit document zijn slechts aanvullingen op lokale wetten en voorschriften.
Embion B.V. is niet aansprakelijk voor enige gevolgen van de volgende omstandigheden:
Bediening buiten de in dit document gespecificeerde voorwaarden
Installatie of gebruik in omgevingen die niet zijn gespecificeerd in relevante internationale of nationale normen
Niet-geautoriseerde wijzigingen aan het product, software of verwijdering van de garantiesticker van het product
Niet volgen van de bedieningsinstructies en veiligheidsmaatregelen op het product en in dit document
Apparatuurschade als gevolg van overmacht, zoals aardbevingen, brand en stormen
Schade veroorzaakt tijdens transport door de klant
Opslagomstandigheden die niet voldoen aan de eisen gespecificeerd in dit document
Algemene vereisten
Werk niet met systeemvoeding ingeschakeld tijdens installatie
Verwijder na installatie van het apparaat ongebruikte verpakkingsmaterialen zoals kartonnen dozen, schuim, kunststof en kabelbinders uit het apparatuurgebied
In geval van brand, verlaat onmiddellijk het gebouw of het apparatuurgebied en schakel de brandalarmbel in of bel in geval van nood. Betreed in geen geval het brandende gebouw
Kras, beschadig of blokkeer geen waarschuwingslabel op de apparatuur
Draai de schroeven vast met de juiste gereedschappen bij het installeren van de apparatuur
Begrijp de componenten en werking van het systeem, de Embion EMS Controller en relevante lokale normen
U mag de software niet reverse engineeren, decompileren, demonteren, aanpassen, code toevoegen, of op andere wijze wijzigen; onderzoek naar interne implementatie van de apparaatsoftware; verkrijgen van de broncode van de apparaatsoftware; inbreuk maken op het intellectuele eigendom van Embion B.V.; of enige prestatietestresultaten met betrekking tot de software openbaar maken.
Persoonlijke veiligheid
Als er een kans is op persoonlijk letsel of schade aan apparatuur tijdens werkzaamheden aan de apparatuur, stop dan onmiddellijk de werkzaamheden, meld het geval aan de supervisor en neem haalbare beschermende maatregelen.
Gebruik gereedschap correct om letsel aan mensen of schade aan de apparatuur te voorkomen
Personeelsvereisten
Personeel dat van plan is Embion B.V. apparatuur te installeren of te onderhouden, moet grondige training krijgen, alle noodzakelijke veiligheidsmaatregelen begrijpen en in staat zijn om alle operaties correct uit te voeren
Personeel dat werkt met de Embion EMS Controller moet onderandere kennis hebben van IP gebaseerde netwerken, RS485 bus systemen, Modbus en de adresseringen, validatie van energie metingen, kennis van apparaten waarmee de Embion EMS Controller verbonden wordt. De exact benodigde kennis kan per installatie en toepassing verschillen
Alleen gekwalificeerde professionals of getraind personeel mogen de apparatuur installeren, bedienen en onderhouden
Alleen gekwalificeerde professionals mogen een veiligheidsslot of melding op het apparaat verwijderen of erkennen
Alleen professionals of geautoriseerd personeel mogen de apparatuur of componenten vervangen
Professionals: personeel dat is opgeleid of ervaren in apparatuurwerking en duidelijk is over de bronnen en mate van verschillende potentiële gevaren bij apparatuurinstallatie, bediening en onderhoud. Het is de taak van een professional om het werkconcept van het volledige systeem te begrijpen. Dit is nodig om de Embion EMS Controller correct te configureren.
Getraind personeel: personeel dat technisch is opgeleid, de vereiste ervaring heeft, zich bewust is van mogelijke gevaren voor henzelf bij bepaalde operaties en in staat is beschermende maatregelen te nemen om de gevaren voor henzelf en andere mensen te minimaliseren
Bedieners: operationeel personeel dat in contact kan komen met de apparatuur, behalve getraind personeel en professionals
Elektrische veiligheid
Algemeen
Controleer voordat u kabels aansluit of de apparatuur intact is. Anders kunnen elektrische schokken of brand optreden.
Zorg ervoor dat alle elektrische verbindingen voldoen aan lokale elektrische normen.
Zorg ervoor dat de door u voorbereide kabels voldoen aan lokale voorschriften.
Voeding van het product
Sluit of verbreek geen stroomkabels terwijl de stroom is ingeschakeld.
Schakel de hoofdschakelaar op de stroomtoevoer uit voordat u elektrische verbindingen maakt,
Controleer voordat u een stroomkabel aansluit of het label op de stroomkabel correct is.
Als de apparatuur meerdere geëlektrificeerde ingangen heeft, verbreek dan alle geëlektrificeerde ingangen voordat u de apparatuur bedient.
Installatieomgevingseisen
Zorg ervoor dat de apparatuur is geïnstalleerd in een goed geventileerde omgeving.
Zorg ervoor dat de omgevingstemperatuur de maximaal toegestane omgevingstemperatuur niet overschrijdt.
Stel de apparatuur niet bloot aan brandbaar of explosief gas of rook. Voer geen enkele bewerking uit op de apparatuur in dergelijke omgevingen.
Inbedrijfstelling
Bij de eerste ingebruikname van de apparatuur zorg ervoor dat professioneel personeel de parameters correct instelt. Onjuiste instellingen kunnen leiden tot schade aan subsystemen die zijn aangesloten op de Embion EMS Controller.
Onderhoud en vervanging
Onderhoud de apparatuur met voldoende kennis van dit document en gebruik de juiste gereedschappen en testapparatuur.
Als de apparatuur defect is, neem dan contact op met uw dealer.
De apparatuur mag alleen worden ingeschakeld nadat alle storingen zijn verholpen. Het niet opvolgen hiervan kan storingen verergeren of de apparatuur beschadigen.
Internet en offline opslag
Wanneer er geen verbinding met de HUB is, slaat het EMS zijn gegevens lokaal op voor maximaal een maand. Deze gegevens worden naar de HUB geüpload zodra de verbinding is hersteld, dit kan tot 24 uur duren. Als de verbinding langer dan een maand verbroken is, worden gegevens die ouder zijn dan een maand niet opgeslagen.
Productoverzicht
Modelbeschrijving
Dit document behandelt de volgende Embion EMS Controller modellen:
EEC-A010
GSE-A010
GSE-A010-POE
Modelidentificatie
Het modelnummer van de Embion EMS Controller is te vinden op het etiket aan de zijkant van het apparaat. Het modelnummer staat vermeld op het etiket onder PN (Productnaam).
Etiketweergave

Serienummer
MAC-adressen
Productnaam
PIN-code
Datamatrix
Productoverzicht

X14 DC-ingangspoort
X13 GPIO-poort
X12 RS485-poort C
X11 RS485-poort B
X10 RS485-poort A
ETH-poort 0 / POE
ETH-poort 1
Status-LED
USB-poort 0
USB-poort 1
P1-poort
LCD-scherm
EMS-status-LED
USB-C-poort
Servicestatus-LED
X10 schakelaar
X11 schakelaar
X12 schakelaar
Pijl omhoog-knop
Terug-knop
OK-knop
Pijl omlaag-knop
Communicatiepoorten
X10 RS485 Standaard omvormerpoort

De X10 RS485-aansluiting is de standaard omvormerpoort. Het is mogelijk om af te wijken van de standaard en de poort voor iets anders te gebruiken dan omvormers.
| X10 120 ohm busafsluitingsschakelaar | |
| Positie | Omschrijving |
|---|---|
| Busafsluitingsschakelaar AAN |
| Busafsluitingsschakelaar UIT |
De X10 120 ohm busafsluitingsschakelaar wordt gebruikt om de X10 RS485-bus af te sluiten.
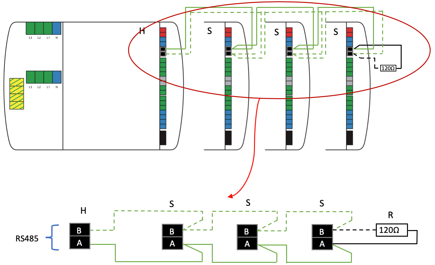
De protocol- en poortinstellingen (baudrate, pariteit, databits en stopbits) moeten identiek zijn voor alle apparaten die op de X10-poort zijn aangesloten. Elke (Modbus) slave-adres moet uniek zijn per poort.
X11 RS485 Standaard meterpoort

De X11 RS485-aansluiting is de standaard meterpoort. Het is mogelijk om af te wijken van de standaard en de poort voor iets anders te gebruiken dan meters.
| X11 RS485 aansluiting | |||
| Afbeelding | Pin | Naam | Omschrijving |
|---|---|---|---|
| 1 | B- | RS485 Negatief signaal |
| 2 | A+ | RS485 Positief signaal | |
| 3 |
| RS485 SHIELD (ISOGND) | |
| X11 120 ohm busafsluitingsschakelaar | |
| Positie | Omschrijving |
|---|---|
| Busafsluitingsschakelaar AAN |
| Busafsluitingsschakelaar UIT |
De X11 120 ohm busafsluitingsschakelaar wordt gebruikt om de X11-poort af te sluiten.
De protocol- en poortinstellingen (baudrate, pariteit, databits en stopbits) moeten identiek zijn voor alle apparaten die op de X11-poort zijn aangesloten. Elk (Modbus) slave-adres moet uniek zijn per poort.
X12 RS485 Standaard poort voor randapparatuur

De X12 RS485-aansluiting is de standaard poort voor randapparatuur. Het is mogelijk om af te wijken van de standaard en de poort voor iets anders te gebruiken dan randapparatuur.
| X12 RS485 aansluiting | |||
| Afbeelding | Pin | Naam | Omschrijving |
|---|---|---|---|
| 1 | B- | RS485 Negatief signaal |
| 2 | A+ | RS485 Positief signaal | |
| 3 |
| RS485 SHIELD (ISOGND) | |
| X12 120 ohm busafsluitingsschakelaar | |
| Positie | Omschrijving |
|---|---|
| Busafsluitingsschakelaar AAN |
| Busafsluitingsschakelaar UIT |
De X12 120 ohm busafsluitingsschakelaar wordt gebruikt om de X12-poort af te sluiten.
De protocol- en poortinstellingen (baudrate, pariteit, databits en stopbits) moeten identiek zijn voor alle apparaten die op de X12-poort zijn aangesloten. Elk (Modbus) slave-adres moet uniek zijn per poort.
X13 GPIO-poort

De X13 GPIO-aansluiting kan worden gebruikt voor algemene in-/uitvoerbesturing.
| X13 GPIO Poort | |||
| Afbeelding | Pin | Naam | Omschrijving |
|---|---|---|---|
| 1 | 1+ | Potentiaalvrije ingang #1 (+) |
| 2 | 1- | Potentiaalvrije ingang #1 (-) | |
| 3 | 2+ | Potentiaalvrije ingang #2 (+) | |
| 4 | 2- | Potentiaalvrije ingang #2 (-) | |
| 5 | C1 | Potentiaalvrije uitgang contact #1 | |
| 6 | C1 | Potentiaalvrije uitgang contact #1 | |
| 7 | C2 | Potentiaalvrije uitgang contact #2 | |
| 8 | C2 | Potentiaalvrije uitgang contact #2 | |
| GPIO elektrische specificaties | |||
| Punt | Min | Max | Eenheid |
|---|---|---|---|
| Ingang laag definitie | -32.0 | 2.0 | V |
| Ingang hoog definitie | 5.0 | 32.0 | V |
| Ingangsstroom voorwaarts | 1.0 | 6.0 | mA |
| Schakelcontactspanning (C) | - | 32.0 | V |
| Schakelcontactstroom (C) | - | 2.0 | A |
| Isolatiespanning GPIO | - | 48.0 | V |
X14 DC-ingangspoort

| X14 DC Poort | |||
| Afb | Pin | Naam | Omschrijving |
|---|---|---|---|
| 1 | + | Externe gelijkstroomvoeding (+) |
| 2 | - | Externe gelijkstroomvoeding (-) | |
| Specificaties voor DC voeding | |||
| Onderdeel | Min | Max | Eenheid |
|---|---|---|---|
| DC ingangsspanning | 12.0 | 32.0 | V |
| DC ingangsstroom | - | 2.0 | A |
| DC ingangsvemogen | - | 20.0 | W |
ETH0-poort / POE

De ETH0-poort kan worden gebruikt als normale Ethernet-poort en voor het voeden van de Embion EMS Controller met Power over Ethernet (POE) (alleen voor de POE-varianten).
Poortspecificaties
- 10/100/1000 Mbps
Voor de POE-variant (PN: GSE-A010-POE):
- Ondersteuning voor IEEE 802.3af PoE (niet aanbevolen vanwege het vermogenslimiet), het apparaat kan de prestaties verminderen
- Ondersteuning voor IEEE 802.3at PoE+, redundantie van voedingsbronnen mogelijk, schakelt automatisch tussen PoE- en DC-ingang. Als beide aanwezig zijn, heeft PoE de voorkeur.
| ETH0 pinconfiguratie. | ||
| Afbeelding | Pin | Omschrijving |
|---|---|---|
| 1 | BI_DA+ |
| 2 | BI_DA- | |
| 3 | BI_DB+ | |
| 4 | BI_DC+ | |
| 5 | BI_DC- | |
| 6 | BI_DB- | |
| 7 | BI_DD+ | |
| 8 | BI_DD- | |
| ETH0 indicatoren | |
| Indicator | Omschrijving |
|---|---|
| Groen | Knippert bij verzenden/ontvangen van gegevens |
| Geel | Aan wanneer POE+ bron is aangesloten |
ETH1-poort

De ETH1-poort kan worden gebruikt voor Ethernet-verbindingen op de Embion EMS Controller
Poortspecificaties
- 10/100 Mbps
| ETH1 pinconfiguratie | ||
| Afbeelding | Pin | Omschrijving |
|---|---|---|
| 1 | TX+ |
| 2 | TX- | |
| 3 | RX+ | |
| 4 | NC | |
| 5 | NC | |
| 6 | RX- | |
| 7 | NC | |
| 8 | NC | |
| ETH1 indicatoren | |
| Indicator | Omschrijving |
|---|---|
| Groen | Knippert bij verzenden/ontvangen van gegevens |
| Geel | Gereserveerd |
USB0-poort

De USB0-poort kan worden gebruikt om externe opslagapparaten in de Embion EMS Controller te plaatsen.
Poortspecificaties
- Tot 500 mA stroomlevering
| USB0 pinconfiguratie | ||
| Afbeelding | Pin | Omschrijving |
|---|---|---|
| 1 | +5V |
| 2 | D- | |
| 3 | D+ | |
| 4 | GND | |
USB1-poort

De USB1-poort kan worden gebruikt om externe opslagapparaten in de Embion EMS Controller te plaatsen.
Poortspecificaties
- Tot 500 mA stroomlevering
| USB1 pinconfiguratie | ||
| Afbeelding | Pin | Omschrijving |
|---|---|---|
| 1 | +5V |
| 2 | D- | |
| 3 | D+ | |
| 4 | GND | |
P1-poort

De P1-poort wordt gebruikt om rechtstreeks verbinding te maken met een compatibele slimme meter.
Poortspecificaties
- Leest de meter rechtstreeks vanuit de P1-aansluiting op de slimme meter
- Ondersteuning voor DSMR 4.0-5.0
- Vaste baudrate van 115200 Baud
- Alleen bruikbaar voor ongecodeerde metergegevens
Zorg ervoor dat de meter die op P1 is aangesloten, een DSMR 4 of DSMR 5 meter is. Oudere DSMR-versies worden momenteel niet ondersteund.
| P1 pinconfiguratie | ||
| Afbeelding | Pin | Omschrijving |
|---|---|---|
| 1 | NC |
| 2 | Data verzoek | |
| 3 | ISOGND | |
| 4 | NC | |
| 5 | Data | |
| 6 | ISOGND | |
Statusindicatoren
Status-LED
| Status LED | ||
| LED | LED Status | Omschrijving |
|---|---|---|
| Groen | Apparaat operationeel |
| Rood | Systeem bezig | |
| Blauw | Gereserveerd | |
Gateway LED
| Gateway LED | ||
| LED | LED Status | Omschrijving |
|---|---|---|
| Groen | Diensten draaien |
| Geel | Probleem met een dienst | |
| Rood | Niet operationeel | |
External LED
| External LED | ||
| LED | LED Status | Omschrijving |
|---|---|---|
| Paars | Remote support ingeschakeld |
| Blauw | Directe API besturing actief | |
| Cyaan | Geplande API besturing actief | |
| Groen | HUB (energieprijs) sturingsregels actief | |
Wanneer er meerdere External led statuses actief zijn, hebben ze voorrang in de volgorde zoals hierboven weergegeven.
Knoppen
Omhoog-knop
| Omhoog-knop | ||
| Afbeelding | Druk | Actie |
|---|---|---|
| Korte druk | Actie voor korte druk |
| Langdurige druk | Actie voor langdurige druk | |
Omlaag-knop
| Omlaag-knop | ||
| Afbeelding | Druk | Actie |
|---|---|---|
| Korte druk | Actie voor korte druk |
| Langdurige druk | Actie voor langdurige druk | |
Terug-knop
| Terug-knop | ||
| Afbeelding | Druk | Actie |
|---|---|---|
| Korte druk | Actie voor korte druk |
| Langdurige druk | Actie voor langdurige druk | |
OK-knop
| OK-knop | ||
| Afbeelding | Druk | Actie |
|---|---|---|
| Korte druk | Actie voor korte druk |
| Langdurige druk | Actie voor langdurige druk | |
Afmetingen


Gewicht
| PN | Gewicht | Eenheid |
|---|---|---|
| GSE-A010 | 335 | gram |
| GSE-A010-POE | 355 | gram |
| EEC-A010 | 335 | gram |
Installatie van het apparaat
Dooscontrole
Buitenverpakking
Controleer of de buitenverpakking onbeschadigd is voordat u deze opent. Als er tekenen van schade of abnormaal gedrag zijn, open dan de verpakking niet en neem onmiddellijk contact op met uw dealer.
Leveringen
Controleer of de hoeveelheid onderdelen overeenkomt met de paklijst in de verpakking. Als er onderdelen ontbreken of beschadigd zijn, neem dan contact op met uw dealer.





Alle meegeleverde connectoren zijn al in het apparaat geplaatst.
Benodigde gereedschappen


Afhankelijk van het specifieke type installatie en het type omgeving kan extra gereedschappen nodig zijn.
Installatievereisten
Een juiste installatie van de Embion EMS Controller is essentieel voor het bereiken van optimale prestaties en het garanderen van eenvoudig onderhoud.
Het is cruciaal om de aanbevolen richtlijnen te volgen om optimale functionaliteit te garanderen. Bovendien is het belangrijk om te voldoen aan de minimumobjectafstand, omgevingstemperatuur- en vochtigheidseisen om de geldigheid van de garantie te behouden.
Het niet naleven van deze richtlijnen kan leiden tot het vervallen van de garantie.



Het installeren van de Embion EMS Controller
De Embion EMS Controller kan aan de muur worden gemonteerd of op een DIN-rail (voorkeur).
Installatie aan de muur
De Embion EMS Controller moet op een juiste hoogte worden geïnstalleerd om bediening en onderhoud te vergemakkelijken.
Installeer de Embion EMS Controller op een vlakke en veilige muur



DIN-rail gemonteerd
Bereid een standaard DIN-rail van 35 mm (niet inbegrepen). Zorg ervoor dat de rail:


Zorg ervoor dat de rail:
Voldoende lengte heeft om de Embion EMS Controller te bevestigen. De aanbevolen effectieve lengte is 120 mm of meer.
Correct is bevestigd voor de installatie van de Embion EMS Controller is bevestigd.
Correct is beëindigd, zodat de Embion EMS Controller niet kan schuiven.
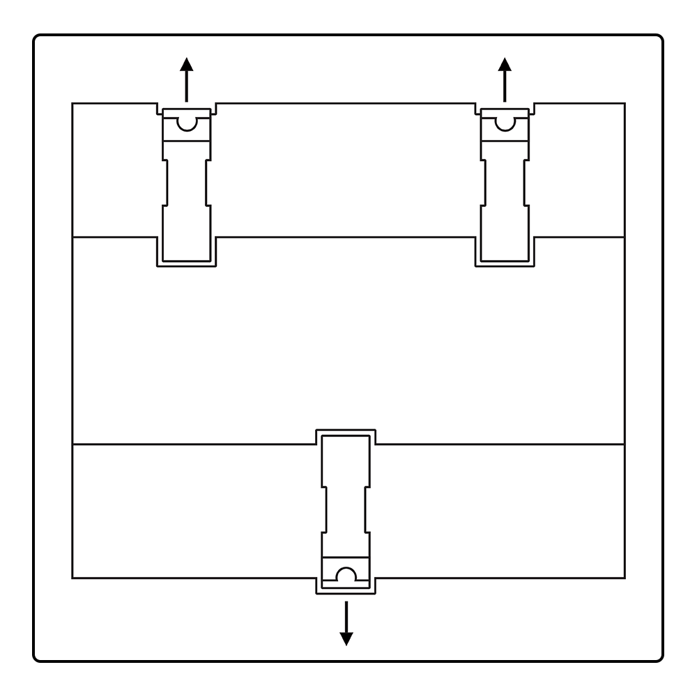
Bevestigen aan DIN-rail



Verwijderen van DIN-rail


Gebruik van het apparaat
Invoerbeschrijving
Op de Embion EMS Controller zijn meerdere invoeracties vereist, zoals IP-adressen, IP-adresreeksen en namen. De onderstaande stappen leggen uit hoe u de knoppen gebruikt om tekens in te voeren.

Invoeropties
Gebruik de knoppen op de Embion EMS Controller om een van de vier invoeropties te selecteren die verband houden met de positie van de ingedrukte knop.
Bijvoorbeeld: Omhoog-knop selecteert en markeert de numerieke invoer.

Karakters selecteren
Als een invoeroptie is geselecteerd, gebruikt u de omhoog- en omlaag-knop om te navigeren en een karakter of een vooraf gedefinieerde waarde zoals een IP-adres te selecteren. Druk op de OK-knop of wacht 3 seconden om het geselecteerde karakter of de geselecteerde waarde te bevestigen. Karakters verschijnen nu in het invoerveld zoals hieronder getoond.

Tekens verwijderen
Terwijl een van de invoeropties is geselecteerd, drukt u op de terug-knop om het laatste karakter te verwijderen of houdt u de OK-knop ingedrukt om alle invoer te wissen.
Hoofdletters
Het is mogelijk om hoofdletters te gebruiken. Houd de omhoog-knop ingedrukt om hoofdletters te activeren en houd deze nogmaals ingedrukt om terug te schakelen.

Configuratie-instellingen
Op de pagina “Configuratie-instellingen” worden de basisinstellingen van het systeem gedaan. De mogelijke configuraties zijn:
- Instellingen toepassen (strategie)
- Netinstellingen
- Meters
- Omvormers
- Laadpalen
- Randapparatuur
- Actieve vermogensregeling
- GPIO-regeling
- Generieke asset sturing
- Netspanningsregeling
- Vlamboogdetectie

Instellingen toepassen
Alle instellingen in het configuratiemenu kunnen worden gewijzigd zonder directe invloed op de huidige functie van de Embion EMS Controller. Wanneer instellingen worden gewijzigd, moeten de wijzigingen nog worden toegepast via dit menu. Het toepassen van de instellingen kan worden gedaan door een van de mogelijke strategieën te selecteren. Elke strategie heeft vooraf gedefineërde controllers en bepaalde vereiste instellingen die moeten worden ingesteld. Na het toepassen van een nieuwe strategie controleert het systeem alle vereisten configuraties en alleen als aan alle vereisten configuraties voor de strategie is voldaan, wordt de nieuwe strategie toegepast.

Activeren configuratie
Deze configuratie activeert alle instellingen, er moet een strategie worden geselecteerd. Gewijzigde instellingen worden opgeslagen, maar pas toegepast wanneer de gewenste strategie is geselecteerd en correct is toegepast. Als een foutieve configuratie wordt gevonden, retourneert de geselecteerde strategie een fout en wordt de systeemfuncties niet gewijzigd. Alleen als de geselecteerde strategie correct is geconfigureerd, wordt de nieuwe configuratie toegepast en wordt de oude geconfigureerde strategie vervangen door de nieuwe.
Selecteer strategie
Om alle instellingen te activeren, moet een strategie worden geselecteerd. De huidige geïmplementeerde strategieën zijn:

Zonbalans
Zonbalans levert de stand-alone zonbalans controller met behulp van een netmeter, omvormers en een pyranometersensor. Het maximale geconfigureerde netterugleververmogen wordt gebruikt als maximaal vermogen. Tot een gemeten straling van 650 \(\frac{W}{m^2}\) is het exportlimiet het geconfigureerde netterugleververmogen. Tussen een gemeten straling van 650 \(\frac{W}{m^2}\) en 975 \(\frac{W}{m^2}\) wordt het exportlimiet lineair verminderd van het geconfigureerde netterugleververmogen naar 0 kW. Bij een gemeten straling van >=975 \(\frac{W}{m^2}\) is het exportlimiet 0 kW.
Bij het activeren van de Zonbalans-strategie wordt het totale geïnstalleerde omvormervermogen opgevraagd. Dit is de som van het AC-uitgangsvermogen van alle aangesloten omvormers. Deze waarde wordt gebruikt voor een correcte regeling van het vermogen. Voor een correcte werking van de Zonbalans-strategie, zorg ervoor dat het omvormervermogen correct is ingevoerd.
Alle andere stuurfuncties van GPIO, laadpalen, batterij omvormers etc. worden gedeactiveerd bij het activeren van Zonbalans.

De Embion EMS Controller is in staat om de geldigheid van de gemeten zonnestraling te controleren met behulp van de daadwerkelijk gemeten zonnestraling en het daadwerkelijke zonnevermogen, waarbij beide waardes worden gecombineerd met het totale PV-vermogen dat is geconfigureerd in de omvormergroepen. Wanneer het opgewekte zonnevermogen groter wordt dan mogelijk zou zijn met de daadwerkelijke straling en geconfigureerd PV-vermogen, wordt er een fout geactiveerd en wordt het exportlimiet vastgesteld op 0 kW. De fout kan worden hersteld in het Zonbalans-menu.
Wanneer de fout wordt geactiveerd, kan dit duiden op een vuile of niet correct functionerende stralingssensor en dus onjuiste tellersgrenzen. Indien nodig kan de controle worden uitgeschakeld terwijl de Zonbalans-strategie is toegepast.

Vlamboog detectie
Vlamboog detectie biedt alleen de functionaliteit van vlamboog detectie met behulp van externe vlamboog detectie. Deze strategie implementeert geen export- of importbegrenzer. Hierdoor is eenvoudige en snelle integratie van vlamboog detectie in bestaande systemen mogelijk.
Algemeen
Algemeen levert alle vereiste controllers, behalve de Zonbalans controller. Deze strategie gebruikt het ingevoerde zonnevermogen per groep en de netto-exportlimieten om (indien nodig) een exportcontroller te maken. Er is minimaal één geconfigureerde netmeter nodig om dit te doen.
Omvormer configuratie
Met deze configuratie kan de gebruiker de aangesloten omvormers configureren (indien aanwezig). Er kunnen meerdere groepen worden gemaakt, waarbij elke groep verbinding maakt met dezelfde soort meters, via dezelfde fysieke interface.

Omvormergroepen
Op de pagina “Omvormergroepen” worden alle bestaande omvormergroepen weergegeven. Er is één vooraf ingestelde groep genaamd “Nieuw 1” die nog niet is geconfigureerd; deze groep wordt automatisch toegevoegd door je laatste bestaande groep te verwijderen.

Het is mogelijk om meer groepen toe te voegen, de bestaande groepen te hernoemen, een specifieke groep te dupliceren of een groep te verwijderen. Selecteer een groep en houd de OK-knop ingedrukt om deze opties te selecteren.

Omvormergroep configureren
De volgende gegevens zijn vereist om een groep omvormers te configureren:
- Omvormeraansluiting
- Adresbereik
- Type omvormer
- IP-adres omvormer
- TCP-poort omvormer
Voor zonneomvormers moeten de volgende extra velden worden ingevuld: - Strings per omvormer - Totaal aantal zonnepanelen - Piekvermogen per paneel - Totale Groep PV vermogen (AC) - Terugleverprioriteit instellen
Voor batterijomvormers moeten de volgende extra velden worden ingevuld:
- Batterij energie capaciteit (moet hetzelfde zijn voor alle batterijen binnen de group), wordt gebruikt voor een gewogen SoC gemiddelde
- Maximale actieve batterijvermogen
- Laadprioriteit instellen
- Ontlaadprioriteit instellen
- Minimale SOC (laadstatus)
- Maximale SOC
- Minimale SoC voor besturing op afstand
- Maximale SoC voor niet-zon laden
- Minimale SoC voor eigen verbruik compensatie
- Automatisch opladen toestaan
IP-adres en TCP-poort van de omvormer worden alleen gevraagd wanneer het geselecteerde verbindings type van de omvormer TCP/IP is.
Omvormeraansluiting
Selecteer het verbindingstype van de te configureren omvormer(s)

De volgende verbindingstypes kunnen worden geselecteerd:
- RTU-A (X10)
- RTU-B (X11)
- RTU-C (X12)
- TCP/IP
Adressen van omvormer slaves
Voer het adresbereik in van de te configureren omvormer(s). Het is mogelijk om adressen te scheiden met het gebruik van “,” of om een bereik te definiëren met het gebruik van “-”. Bijvoorbeeld: De invoer “1,2,4-10” zal een adresbereik instellen van 1 tot 10, behalve 3.

Een adres mag slechts één keer voorkomen per RTU-poort. Meters en omvormers kunnen op dezelfde RTU-poort worden aangesloten, zolang de baudrates instellingen identiek zijn en elke aangesloten slave een uniek adres heeft.
Omvormer type
Selecteer hier het type of merk van de omvormer(s) die geconfigureerd moeten worden.

De volgende typen kunnen worden geselecteerd:
- ABB PVS
- ABB Trio
- AccuPower BESS
- Afore HV
- Afore LV
- Aiswei (Solplanet) Aiswei configuratie
- Altilia
- AmpiTower
- Autarco
- Boltainer
- Cellpower
- Cellpower 102-50
- Chint
- CNTE Star H
- Cubenergy PowerCombo
- Delta Sunspec
- Deye HV (firmware versie 1095 of nieuwer)
- Dyness EMS
- eCactus TH Hybrid (geen PV ondersteuning)
- EcoBatt
- Eaton Hybrid
- Eaton Xstorage
- Elinex
- Faro
- Ferroamp (nog geen stuurfunctie)
- Ferroamp Hybride (geen PV sturing)
- FOX GMAX ECU
- FOX-ESS GMax
- Fronius (via datamanager (float32))
- FutureNED EV193 (alleen laden van batterij van de lader beschikbaar)
- Gotion BESS
- GoodWe
- GoodWe-HT
- GoodWe Hyb
- GoodWe-MT
- Growatt ShineMaster
- Growatt-V1
- Growatt-V2
- Huawei Hybrid
- Huawei SL BESS
- Huawei V2
- Huawei V3
- Hypontech
- INVT
- Kstar
- Kstar BC107DE
- Kstar Hybrid
- Maxus
- Megarevo
- OX Energy B-OX L
- OX Energy B-OX XL
- peergen PowerPeer
- Pixii
- QuSolar BESS
- RCT CESS200
- Renepoly Parallel
- SAJ R6 en C6
- SAJ Plus series
- Sigenergy (geen totale PV opwek)
- SMA datalogger (alleen gecombineerde AC vermogen, opbrengst en vermogens sturing)
- SMA Hybrid
- SMA Sunspec
- SMA tripower
- Solax 3phase
- SolaX EMS Pro
- Solax Trene
- Solax X3 Ultra Hybrid Firmware vereisten
- SolarEdge
- Sofar G1
- Sofar G2
- Sofar G3
- Sofar G3 Hyb (nog geen stuurfunctie)
- Sofar Power Magic
- Solis
- Solis Hyb
- Sungrow
- Sungrow Powerstack
- Studer Next3
- Victron BESS
- Weiheng
- Zeversolar
- ZTT M261
Omvormer IP
Voeg het IP-adres van de omvormer(s) in. Bijvoorbeeld: “192.168.0.125”.
Het is mogelijk om meerdere adressen in het adresbereik te definiëren en slechts één IP-adres in te voeren als alle adressen via dezelfde TCP/IP-slave kunnen worden bereikt.
Wanneer de slaves allemaal bereikbaar zijn op hetzelfde adres maar op verschillende IP-adressen, is het mogelijk om slechts één adres en een reeks IP-adressen in te voeren.
Als elk adres zijn eigen TCP/IP-slave heeft en een specifiek IP-adres, kan een IP-bereik worden ingevoerd. Om een bereik in te voeren, wordt het eerste IP-adres ingevoerd, gevolgd door een ‘,’ of een ‘-’ en het laatste octet van het laatste IP-adres.
Bijvoorbeeld, als het adresbereik is ingesteld op 1-4 (of 1, 2, 3, 4) en elk adres heeft een specifiek IP-adres, dan zou het IP-adres 192.168.0.10-13 kunnen zijn (of 192.168.0.10, 11, 12, 13). De Embion EMS Controller vertaalt dit dan naar de volgende IP-adressen: 192.168.0.10, 192.168.0.11, 192.168.0.12 en 192.168.0.13.
Het moet worden opgemerkt dat wanneer meerdere IP-adressen zijn gedefinieerd, het aantal gedefinieerde adressen 1 moet zijn of gelijk moet zijn aan het aantal gedefinieerde IP-adressen. Het niet naleven van deze criteria zal leiden tot een fout bij het toepassen van de instellingen.

Voeg de TCP-poort van de omvormer(s) in. Bijvoorbeeld: “502”
Omvormer TCP poort
De omvormer poort wordt alleen gevraagd wanneer het verbindingstype TCP/IP is.

Strings/MPPT per omvormer
Voer het aantal individuele strings of MPPT-gegevens in dat moet worden gelezen voor elke omvormer die is aangesloten op de groep. In feite wordt hier het aantal individueel gemonitorde strings of MPPT’s per omvormer ingevoerd.

Geïnstalleerde zonnepanelen
Voer het totale aantal geïnstalleerde zonnepanelen in voor deze groep omvormers.

Piekvermogen per paneel
Voer het piekvermogen per paneel in voor de geïnstalleerde zonnepanelen. Het totale zonnevermogen (Geïnstalleerde zonnepanelen * Piekvermogen per paneel) wordt gebruikt om de vereiste exportlimietcontrollers te berekenen. Als verschillende panelen worden gebruikt, zorg er dan voor dat het totale ingevoerde vermogen (Geïnstalleerde zonnepanelen * Piekvermogen per paneel) correct is.

Totale Groep PV vermogen (AC)
It indicates the total nominal AC power available from all inverters within the group, calculated as the sum of their individual capacities.
Terugleverprioriteit instellen
When the export limit is exceeded, inverters are curtailed according to their assigned priority. Inverters with lower priority are reduced first, followed by higher priority inverters.
Inschakelen van actieve vermogensregeling
Indien deze instelling is uitgeschakeld, wordt de omvormer niet geregeld op actief vermogen. Indien nodig kunnen sommige omvormergroepen worden uitgesloten van de vermogensregeling, terwijl andere groepen de regeling ingeschakeld hebben.
Het systeem dat door de Embion EMS Controller gestuurd wordt wanneer actieve vermogensregeling aan staat moet deze sturing wel accepteren. Hiervoor moeten de betreffende instellingen in een eventuele extra logger juist gezet worden. Vermogenssturing vanuit de externe logger dient te worden uitgezet en deze moet externe stuur commando’s via Modbus accepteren.
Maximale actieve batterijvermogen
Deze instelling wordt alleen weergegeven wanneer een omvormer met batterijondersteuning is geselecteerd. Het maximale actieve vermogen van de batterij kan worden ingevoerd. De Embion EMS Controller zal het ingestelde vermogen van de batterij beperken tot de geconfigureerde waarde. De laad- en ontlaadinstelpunten die naar de batterij worden verzonden, zullen deze waarde niet overschrijden.
Batterij energie capaciteit
De capaciteit van 1 batterij binnen de groep. Deze capaciteit wordt gebruikt voor het berekenen van de gewogen gemiddelde laadstatus.
Laadprioriteit instellen
Stel de laadprioriteit van de batterij in. Wanneer de prioriteit vrij is en de batterij mag laden, wordt een laadopdracht gegeven aan de batterij. De laadprioriteit moet altijd lager (hoger nummer) zijn dan de ontlaadprioriteit.
Ontlaadprioriteit instellen
Stel de ontlaadprioriteit van de batterij in. Wanneer de prioriteit nog niet vrij is, zal het ontlaadvermogen maximaal zijn. Daarom kan de ontlading worden gebruikt als een optie voor piekafvlakking om overschrijding van de netlimieten te voorkomen. De ontlaadprioriteit moet altijd hoger (lager nummer) zijn dan de laadprioriteit.
Minimale SoC (State of Charge - Laadstatus)
Stel de minimaal toegestane SoC in (Laadstatus). Wanneer de SoC is bereikt, staat het batterijvermogen geen verdere ontlading toe. Wanneer de laadstatus onder de minimale SoC komt zal de batterij geladen worden met de ingestelde laad prioriteit, tot de minimale SoC bereikt is.
Maximale SoC (State of Charge - Laadstatus)
Stel de maximaal toegestane SoC in (Laadstatus). Wanneer de SoC is bereikt, staat het batterijvermogen geen verdere lading toe.
Minimale SoC voor besturing op afstand
Minimale SoC naar waar de batterij ontladen kan worden via besturing op afstand. Deze waarde moet gelijk zijn of hoger dan “Minimale SoC”. Het verschil tussen deze waardes kan enkel gebruikt worden om import limieten met de batterij te compenseren. Wanneer via publieke API of via de stuurregels in de HUB een control_generation = max gegeven wordt, limiteert de gateway het ontladen op de SoC welke hier ingevoerd is. Vermogens limieten welke in het ontladen van de batterij zorgen en extern aangepast worden worden niet gelimiteerd op deze SoC.
Maximale SoC voor niet-zon laden
Maximale SoC voor alle laad acties anders dan laden op negatief net vermogen. Deze waarde moet gelijk zijn aan of lager zijn dan “Maximale SoC”, het verschil tussen de twee waardes kan enkel geladen worden wanneer laden op negatief netvermogen geactiveerd is en het netvermogen werkelijk negatief dreigt te worden.
Minimale SoC voor eigen verbruik compensatie
De minimale SoC tot waar de batterij ontladen mag worden voor eigen verbruik compensatie (functie dient geactiveerd te worden in Actief vermogens regeling menu)
Automatisch laden toestaan
Wanneer deze instelling is ingeschakeld, krijgt de batterij een laadinstelpunt zodra de prioriteit dit toestaat. Wanneer deze is uitgeschakeld, zal de Embion EMS Controller de batterij niet automatisch opladen, alleen als het verbruik op maximum is ingesteld (of als het opladen van de batterij met netteruglevering is ingeschakeld). Door deze functie aan te zetten wordt de batterij niet gebruikt voor het compenseren van eigen verbruik!
Meter configuratie
Deze configuratie stelt de gebruiker in staat om de aangesloten meters te configureren (indien aanwezig). Er kunnen meerdere groepen worden gemaakt, waarbij elke groep verbinding maakt met dezelfde soort meters, via dezelfde fysieke interface.
Zorg ervoor dat de actieve energierichting van de meter in de juiste conventie staat die wordt gebruikt binnen de Embion EMS Controller.
Een positief actief vermogen wordt altijd geïnterpreteerd als verbruikt vermogen, terwijl een negatief actief vermogen wordt geïnterpreteerd als teruggeleverd vermogen.
Wanneer piekafvlakking (peakshaving) voor PV-generatie actief is, moet de actieve energierichting voor de netmeter correct zijn. De Embion EMS Controller beperkt (op netvermogen of netstroom) alleen de aangesloten omvormers wanneer het gemeten netvermogen negatief is (teruglevering aan het net).

Metergroepen
Op de pagina “Metergroepen” worden alle bestaande metergroepen weergegeven. Er is één vooraf ingestelde groep genaamd “Nieuw 1” die nog niet is geconfigureerd; deze groep wordt automatisch toegevoegd door uw laatste bestaande groep te verwijderen.
Het is mogelijk om meer groepen toe te voegen, de bestaande groepen te hernoemen, een specifieke groep te dupliceren of één groep te verwijderen. Selecteer een groep en houd de OK-knop ingedrukt om deze opties te activeren.

Metergroep configureren
De volgende invoergegevens zijn nodig om een groep meters te configureren.
- Meterverbinding
- Adresbereik
- Metertype
- Meterlocatie
- IP-adres meter
- TCP-poort meter
Het adresbereik wordt alleen gevraagd wanneer het geselecteerde verbindingstype van de meter(s) RTU of TCP/IP is.
Het IP-adres van de meter en de TCP-poort worden alleen gevraagd wanneer het geselecteerde verbindingstype van de meter(s) TCP/IP is.
Meterverbinding
Selecteer het verbindingstype van de te configureren meter(s). De opties zijn:
- RTU-A (X10)
- RTU-B (X11)
- RTU-C (X12)
- P1
- TCP/IP

Wanneer de verbinding van de meter(s) P1 is, zijn extra instellingen nodig om de configuratie te voltooien: extra aangesloten P1-meters en de locatie van de meter.
Meter slave addresses
Voer het adresbereik in van de te configureren meter(s). Het is mogelijk om adressen te scheiden met het gebruik van “,” of om een bereik te definiëren met het gebruik van “-”. Bijvoorbeeld: De invoer “1,2,4-10” stelt een adresreeks in van 1 tot 10, behalve 3.

Een adres mag slechts één keer voorkomen per RTU-poort. Meters en omvormers kunnen op dezelfde RTU-poort worden aangesloten, zolang de baudrates instellingen identiek zijn en elke aangesloten slave een uniek adres heeft.
Metertype
Selecteer hier het type of merk van de te configureren meter. De volgende typen of merken zijn beschikbaar om te selecteren:
- ABB B23/B24 (geen THD-meting)
- ABB M4M
- ABB D11/D13
- ABB TMax
- Acrel ACR10
- Anexo (Modbus converter)
- CarloGavazzi 1 fase (geen THD-meting)
- CarloGavazzi 3 fase (geen THD-meting)
- Chint DTSU666 Chint DTS666 instellen
- Chint DTSU666 (no series)
- Chint DTSU666 (Gain) Chint DTS666 instellen
- Eastron
- Fudura meter module
- Finder 7M24
- Finder 7M38
- GridXense
- Hager
- Hager H3
- Hager SM
- Huawei SL-meter (energiemeter aangesloten op Huawei smartlogger) (geen THD-meting)
- IME Conto (geen THD-meting)
- IME Nemo
- IME Nemo EC
- Inepro PRO380 (geen THD en lijn-lijn spannings meting)
- Janitza
- Joulz
- Mbus gateway
- Phoenix EEM
- Schneider IEM 1 fase (geen THD-meting)
- Schneider IEM 3 fase
- Schneider NSX
- Schneider PM5000-serie
- Schneider PM8000-serie
- Siemens PAC1600 7KT (geen THD-meting)
- Siemens PAC1665 7KT (geen THD-meting)
- Siemens PAC2200 7KM (geen THD-meting)
- Socomec Countis (geen THD-meting)
- Socomec Diris A10
- Socomec Diris B10
- Weidemuller EM610

Meter IP
Voer het IP-adres in van de te configureren meter(s). Bijvoorbeeld: “192.168.0.125”.
Het is mogelijk om meerdere adressen in het adresbereik te definiëren en slechts één IP-adres als alle adressen bereikbaar zijn via dezelfde TCP/IP slave.
Wanneer de slaves allemaal bereikbaar zijn op hetzelfde adres maar op verschillende IP-adressen, is het mogelijk om slechts één adres en een reeks IP-adressen in te voeren.
Als elk adres zijn eigen TCP/IP slave heeft en een specifiek IP-adres, kan een IP-bereik worden ingevoerd. Om een bereik in te voeren, wordt het eerste IP-adres ingevoerd, gevolgd door een ‘,’ of een ‘-’ en het laatste octet van het laatste IP-adres.
Bijvoorbeeld, als het adresbereik is ingesteld op 1-4 (of 1, 2, 3, 4) en elk adres heeft een toegewezen IP-adres, kan de IP-invoer 192.168.0.10-13 (of 192.168.0.10, 11, 12, 13) zijn. Het Embion EMS Controller zal dit dan vertalen naar de volgende IP-adressen: 192.168.0.10, 192.168.0.11, 192.168.0.12 en 192.168.0.13.
Het moet worden opgemerkt dat wanneer meerdere IP-adressen zijn gedefinieerd, het aantal gedefinieerde adressen 1 moet zijn of gelijk moet zijn aan het aantal gedefinieerde IP-adressen. Het niet naleven van deze criteria zal leiden tot een fout bij het toepassen van de instellingen.

Meter(s) IP adres wordt alleen gevraagd wanneer het type verbinding van de meter(s) TCP/IP is.
Meter TCP-poort
Voer de TCP poort in van de te configureren meter(s). Bijvoorbeeld: “502”

Meter(s) TCP poort wordt alleen gevraagd wanneer het type verbinding van de meter(s) TCP/IP is.
Meterlocatie
Selecteer hier de meterlocatie(s) van de te configureren meter(s), de opties zijn:
- Net meter
- Last meter
- Zon meter
- Generator meter
- Wind meter
- MLOEA-PAP
- MLOEA-SAP
- MLOEA-TAP
De netmeter wordt gebruikt voor de regeling. Het is daarom aan te raden om de netmeter apart op 1 van de Modbus poorten te verbinding (RTU-A, RTU-B, RTU-C) en om alle andere Modbus apparaten op andere Modbus poorten te verbinden. Op deze manier kan de maximale uitlees snelheid voor de netmeter bereikt worden.
De zon, generator en wind meter kunnen worden gebruikt om het vermogen en de energiestromen van apparaten te meten die niet direct aangesloten kunnen worden. De meetrichting moet hetzelfde zijn als die voor verbruikers. Daarom moet het gemeten actieve vermogen negatief zijn wanneer er sprake is van opwekking.
Voor een MLOEA-netverbinding moeten alle meters (MLOEA-PAP, MLOEA-SAP en optioeel de MLOEA-TAP) worden geconfigureerd. Het Embion EMS Controller berekent de werkelijke netvermogen en stromen door beide meters te combineren. De MLOEA meters dienen als vervanging van de net meter, een configuratie met zowel een net meter als een MLOEA meter resulteerd in een onjuiste configuratie. Als slechts één van de twee MLOEA-meters wordt ingesteld, resulteert dit in een onjuiste configuratie.

gesplitste zonne-/netenergie
Beschikbaar wanneer load meter is geselecteerd. Het inschakelen van deze functie zal twee nieuwe meterregisters creëren, één voor de energie die rechtstreeks uit zonne-energie wordt verbruikt en één register voor de energie die rechtstreeks uit netenergie wordt verbruikt. Twee mogelijke systeemconfiguraties zijn mogelijk.
Systeem met ten minste één netmeter en 1 of meer verbruiksmeters. Het systeem telt alle energie afkomstig van de netmeter als netenergie, alle energie die wordt verbruikt maar niet afkomstig is van de netmeter, wordt geteld als zonne-energie.
Systeem zonder een netmeter, in dit geval wordt de door de aangesloten zonnepanelen geleverde energie gebruikt om de zonne-energie te berekenen. Alle andere energie wordt geteld als netenergie.

Om de meters voor gesplitste zonne-/netenergie te activeren, moet ten minste één netmeter of één zonnepaneelomvormer zijn aangesloten. Een fout wordt gegenereerd tijdens het activeren van de instelling wanneer beide (netmeter en zonnepaneelomvormer) niet zijn geconfigureerd.
Overschrijf schaalfactor (alleen voor P1-meter)
De waarden die worden gelezen van de P1-meter kunnen worden geschaald met een vaste schaalfactor. De standaardschaalfactor is 1x. Als “ja” is geselecteerd, wordt de gebruiker gevraagd om de schaalfactor in te voeren.
Pas de standaardschaalfactor alleen aan indien nodig volgens de netbeheerder. Het kiezen van een onjuiste waarde resulteert in foutieve energiemetingen en incorrecte regeling van actief vermogen!
Schaalfactor
Deze optie is alleen beschikbaar wanneer “Overschrijf schaalfactor” is ingesteld op “ja.” Selecteer de schaalfactor:
- 1x (standaard)
- 200x
- 500x
- 2000x
Zorg ervoor dat je de schaalfactor verifieert. Het kiezen van een onjuiste waarde resulteert in foutieve energiemetingen en incorrecte regeling van actief vermogen!
Laadpalen
Deze configuratie zal alle instellingen voor laadpalen definiëren.

Groepen laadpalen
De pagina ‘Groepen laadpalen’ toont alle bestaande groepen van laadpalen. Er is één vooraf ingestelde groep genaamd ‘Nieuwe groep’ die nog niet geconfigureerd is. Deze groep wordt automatisch toegevoegd door je laatste bestaande groep te verwijderen.

Bij het aanmaken van een groep EVChargers van het type ‘EVBox’, kan er slechts één groep per RS485-poort worden gecreëerd.
Wanneer u een groep EVChargers van het type ‘EVBox’ wijzigt, kan de historische data van de EVBox-laders onjuist worden weergegeven vanwege beperkingen van het EVBox-protocol.
Configuratie laadpaal Groep
De volgende invoergegevens zijn vereist om een groep laadpalen te configureren.
- Verbinding van laadpaal
- Slaves van laadpaal
- Type laadpaal
- Laadpaal slaves/zones
- Laadpaal username
- Laadpaal password
- Minimale laadstroom
- Maximale laadstroom
- Prioriteit instellen
- IP-adres laadpaal
Laadpaal type
Selecteer hier het type of merk van de te configureren laadpaal. De volgende types of merken zijn beschikbaar om te selecteren:
- ABB Terra
- ABL eM4 Controller ABL eM4 configuratie
- Alfen
- Alp-EV Duo
- Alp-EV EVC04
- Amtron TCP
- Amtron 4you RTU Amtron 4you RTU configuratie
- Autel DC Charger
- Autel MaxiCharger AC-wallbox
- Autel AC Ultra
- Beny AC Charger
- Beny DC Charger
- Ctek (Firmware versie r4.9 of nieuwer)
- Easee
- Etrel INCH
- Ekoenergetyka DC chargers
- Enovates lader
- EVBox G3/G4
- Flexicharge AC Flexicharge configuratie
- go-e EV Charger
- Hager Witty
- Kempower DC charger (geen totaal geladen energie)
- Nexblue
- Orbis
- Peblar
- Ratio Solar/IO6
- Ratio IO7
- Schneider EVLink Pro AC (Software versie 1.2.1 en nieuwer)
- Schneider EcoStruxure EV Charging Expert
- Sinexcel SEC240 (socket 1)
- Sinexcel SEC240 (socket 2)
- Smappee AC Charger
- Smappee DC Charger
- SMA Business charger
- Vestel EVC04

Verbinding van laadpaal
Selecteer het type verbinding van de te configureren laadpalen. De opties zijn:
- RTU-A (X10)
- RTU-B (X11)
- RTU-C (X12)
- MODBUS TCP/IP
- REST API
Wanneer ‘Laadpaal type’ is ingesteld op ‘EVBox’, worden de verbinding type opties “RTU” hernoemd naar “RS485” en is TCP/IP niet beschikbaar.

Aantal laders
Voer het aantal EVBox-laders in (zowel EVBox Hub als EVBox Satellite) die zijn aangesloten op de fysieke RS485-interface.
Het aantal laders wordt alleen gevraagd wanneer het type lader(s) van de EV Charger EVBox is.

Laadpaal slaves
Voer de slaves in voor de laadpalen. Het is mogelijk om slaves te scheiden met behulp van “,” of een reeks te definiëren met het gebruik van “-”. Bijvoorbeeld: De invoer “1,2,4-10” zal de slaves instellen op 1 tot 10, behalve 3.
EV Charger(s) slave-adressen worden alleen gevraagd wanneer de verbinding van laadpaal RTU-A, RTU-B, RTU-C of TCP/IP is.

Aantal zones
Voer het aantal zones in dat is geconfigureerd in de Schneider EcoStruxure EV Charging Expert.
Aantal zones wordt alleen gevraagd wanneer het type lader(s) van de EV Charger “Schneider EcoStruxure EV Charging Expert” is.

Aantal laders per zone
Voer het aantal laders in dat is toegevoegd aan een enkele zone in de Schneider EcoStruxure EV Charging Expert. Wanneer meerdere zones zijn geconfigureerd, moet het aantal laders per zone het maximale aantal laders per zone zijn.
Aantal laders wordt alleen gevraagd wanneer het type lader(s) van de EV Charger “Schneider EcoStruxure EV Charging Expert” is.

EV lader gebruikersnaam
Voer de gebruikersnaam in van de te configureren EV Charger(s).
EV Charger(s) gebruikersnaam wordt alleen gevraagd wanneer het verbindingstype van de EV Charger(s) “REST API” is.

EV lader wachtwoord
Voer het wachtwoord in van de te configureren EV Charger(s).
Het wachtwoord van de EV Charger(s) wordt alleen gevraagd wanneer het verbindingstype van de EV Charger(s) “REST API” is.

EV Charger SN
Voer het serienummer in van de te configureren EV-lader.
EV Charger SN wordt alleen gevraagd wanneer het type lader van de EV Charger “Easee” of “Nexblue” is.

EV Charger slave addresses
Voer de slaves in voor de EV-lader(s). Het is mogelijk om slaves te scheiden met behulp van “,” of een reeks te definiëren met het gebruik van “-”. Bijvoorbeeld: De invoer “1,2,4-10” zal de slaves instellen op 1 tot 10, behalve 3.
EV-lader(s) slave-adressen worden alleen gevraagd wanneer het verbindingstype van de EV-lader(s) “RTU-A”, “RTU-B”, “RTU-C” of “Modbus TCP/IP” is.

Min. charge current
Selecteer de minimale laadstroom die naar het apparaat wordt gestuurd wanneer er een importlimiet is. Als de stroom meer dan 0 is, stopt de lader niet met laden, zelfs als de ingestelde importlimiet wordt overschreden. De geconfigureerde minimale laadstroom moet gelijk zijn aan of lager zijn dan de maximale laadstroom.

Max. charge current
Selecteer de maximale laadstroom die naar het apparaat wordt gestuurd wanneer er geen importlimiet is. De geconfigureerde minimale laadstroom moet gelijk zijn aan of lager zijn dan de maximale laadstroom.

Set prio
De prioriteit voor de laadstroom van de EV-lader kan worden ingesteld. Wanneer er vermogen beschikbaar is voor verbruik, zal de Embion EMS Controller belastingen verhogen afhankelijk van hun prioriteit. Een hoge prioriteit (laag nummer) wordt als eerste vrijgegeven en als laatste verminderd. Daarom heeft een EV-lader met prioriteit 1 altijd de “Min. laadstroom” beschikbaar; wanneer de systeemlimieten het toelaten, wordt de stroom vrijgegeven tot “Max. laadstroom”. Elke andere EV-lader met prioriteit 2 of hoger heeft de “Min. laadstroom” beschikbaar en zal de stroom alleen verhogen als de systeemlimieten het toelaten en alle laders met een lagere prioriteit volledig zijn vrijgegeven.

EV Charger IP
Insert the IP address of the to be configured EV Charger(s). For example: “192.168.0.125”.
It is possible to define multiple addresses in the address range and only one IP address if all addresses can be reached through the same TCP/IP slave.
When the slaves are all reachable at the same address but on different IPs, it is possible to enter only one address and a range of IP addresses.
If each address has its own TCP/IP slave and a dedicated IP address, an IP range can be entered. To enter a range, the first IP address is entered followed by a ‘,’ or a ‘-’ and the last octet of the last IP address.
For example, if the address range is set to 1-4 (or 1, 2, 3, 4) and each address has a dedicated IP address, the IP input could be 192.168.0.10-13 (or 192.168.0.10, 11, 12, 13). The Embion EMS Controller will then translate this into the following IP addresses: 192.168.0.10, 192.168.0.11, 192.168.0.12, and 192.168.0.13.
Het IP-adres van laadpalen wordt alleen gevraagd wanneer het verbindingstype van laadpalen “Modbus TCP/IP” of “REST API” is.
Het moet worden opgemerkt dat wanneer meerdere IP-adressen zijn gedefinieerd, het aantal gedefinieerde adressen 1 moet zijn of gelijk moet zijn aan het aantal gedefinieerde IP-adressen. Het niet naleven van deze criteria zal leiden tot een fout bij het toepassen van de instellingen.

Lader IP poort
Voer de poort in van de te configureren EV Charger(s). Bijvoorbeeld: “502”

De poort(en) van laadpalen worden alleen gevraagd wanneer het verbindingstype van laadpalen “Modbus TCP/IP” of “REST API” is.
Warmtepompen
Deze configuratie definieert alle instellingen voor warmtepompen.

Warmtepomp groepen
De pagina ‘Warmtepomp groepen’ toont alle bestaande warmtepomp groepen. Er is één vooraf ingestelde groep genaamd ‘Nieuwe groep’ die nog niet is geconfigureerd. Deze groep wordt automatisch toegevoegd door je laatste bestaande groep te verwijderen.

Het is mogelijk om meer groepen toe te voegen, de bestaande groepen te hernoemen, een specifieke groep te dupliceren of één groep te verwijderen. Selecteer een groep en houd de OK-knop ingedrukt om deze opties te activeren.

Configureer warmtepomp groep
De volgende invoergegevens zijn vereist om een groep warmtepompen te configureren:
- Warmtepomp verbinding
- SG Ready versie
- Stel prioriteit in
Warmtepomp verbinding
Selecteer het type verbinding van de te configureren warmtepomp(en). De opties zijn:
- I/O (SG_ready)
- RTU-A (X10)
- RTU-B (X11)
- RTU-C (X12)
- TCP/IP

SG Ready versie
Selecteer de SG Ready versie van de te configureren warmtepomp(en). De opties zijn:
- Versie 1.0
- Versie 1.1
De selectie ‘SG Ready versie’ is alleen beschikbaar wanneer het verbindingstype van de warmtepomp is ingesteld op “I/O (SG_ready)”.

Stel prioriteit in
De prioriteit voor de warmtepomp kan worden ingesteld. Wanneer er stroom voor consumptie beschikbaar is, zal de Embion EMS Controller belastingen verhogen afhankelijk van hun prioriteit. Een hoge prioriteit (laag nummer) wordt als eerste vrijgegeven en als laatste verminderd.

Randapparatuur
Deze configuratie zal alle instellingen voor randapparatuur definiëren. (INTRO)

Randapparatuur groepen
De pagina ‘Randapparatuur groepen’ toont alle bestaande randapparatuur groepen. Er is één vooraf ingestelde groep genaamd ‘Nieuwe groep’ die nog niet geconfigureerd is. Deze groep wordt automatisch toegevoegd door je laatste bestaande groep te verwijderen.

Het is mogelijk om meer groepen toe te voegen, de bestaande groepen te hernoemen, een specifieke groep te dupliceren of één groep te verwijderen. Selecteer een groep en houd de OK-knop ingedrukt om deze opties te activeren.

Configureer randapparatuur groep
De volgende invoergegevens zijn vereist om een groep randapparatuur te configureren:
- Randapparatuur verbinding
- Randapparatuur slaves
- Randapparatuur type
- Randapparatuur IP
Randapparatuur verbinding
Selecteer het type verbinding van de te configureren randapparatuur. De opties zijn:
- RTU-A (X10)
- RTU-B (X11)
- RTU-C (X12)
- TCP/IP

Randapparatuur slave adressen
Voer de slaves in voor de randapparatuur. Het is mogelijk om slaves te scheiden met behulp van “,” of een reeks te definiëren met het gebruik van “-”. Bijvoorbeeld: De invoer “1,2,4-10” zal de slaves instellen op 1 tot 10, behalve 3.

Een adres mag slechts één keer voorkomen per RTU-poort. Slaves van verschillende types kunnen worden aangesloten op dezelfde RTU-poort, zolang de baudrates instellingen identiek zijn en elke aangesloten slave een uniek adres heeft.
Type randapparatuur
Selecteer het type verbinding van de te configureren randapparatuur. De opties zijn:
- Regelbare last
- IO TM-P4A4 (Modbus GPIO-module)
- Kipp&Zonen SMP3-A (Pyrano-sensor)
- Huawei SL pyrano (Pyrano-sensor aangesloten op de Huawei smartlogger)
Regelbare last
Voor de regelbare last functie is een geconfigureerde lastmeter met dezelfde groepsnaam vereist. De Embion EMS Controller zal het vermogen van de lastmeter met dezelfde groepsnaam gebruiken als lastvermogen en zal het extra beschikbare vermogen berekenen. Dit vermogenssetpunt wordt geschreven naar het geconfigureerde regelbare last apparaat.
Als een pyrano-sensor is aangesloten op de Huawei smartlogger, gebruik dan het geconfigureerde adres van de pyrano-sensor dat is geconfigureerd in de smartlogger.

IP-adres randapparatuur
Voer het IP-adres in van de te configureren randapparatuur. Bijvoorbeeld: “192.168.0.125”.
Het is mogelijk om meerdere adressen in het adresbereik te definiëren en slechts één IP-adres als alle adressen via dezelfde TCP/IP slave bereikbaar zijn.
Wanneer de slaves allemaal bereikbaar zijn op hetzelfde adres maar op verschillende IP-adressen, is het mogelijk om slechts één adres en een reeks IP-adressen in te voeren.
Als elk adres zijn eigen TCP/IP slave heeft en een toegewezen IP-adres, kan een IP-bereik worden ingevoerd. Om een bereik in te voeren, wordt het eerste IP-adres ingevoerd, gevolgd door een ‘,’ of een ‘-’ en het laatste octet van het laatste IP-adres.
Bijvoorbeeld, als het adresbereik is ingesteld op 1-4 (of 1, 2, 3, 4) en elk adres heeft een toegewezen IP-adres, zou de IP-invoer 192.168.0.10-13 kunnen zijn (of 192.168.0.10, 11, 12, 13). De Embion EMS Controller zal dit dan vertalen naar de volgende IP-adressen: 192.168.0.10, 192.168.0.11, 192.168.0.12 en 192.168.0.13.
Het moet worden opgemerkt dat wanneer meerdere IP-adressen zijn gedefinieerd, het aantal gedefinieerde adressen 1 moet zijn of gelijk moet zijn aan het aantal gedefinieerde IP-adressen. Het niet naleven van deze criteria zal leiden tot een fout bij het toepassen van de instellingen.

Het IP-adres van randapparatuur wordt alleen gevraagd wanneer het verbindingstype van randapparatuur TCP/IP is.
Poort randapparatuur
Voer de poort in van de te configureren randapparatuur. Bijvoorbeeld: “502”

De poort(en) van randapparatuur wordt alleen gevraagd wanneer het verbindingstype van randapparatuur TCP/IP is.
Netinstellingen
In deze configuratie kunnen vermogens- en stroomlimieten voor de installatie worden gedefinieerd.
Configuratie netinstellingen
De volgende invoergegevens zijn vereist om de netinstellingen te configureren:
- Maximale netstroom
- Maximale nettoevoer
- Maximale nettoevoer naar het net
- Limiteer per 15 min

Maximale netstroom
Voer de toegestane maximale netstroom in voor deze installatie. Als voorbeeld, als de netspanning 3x250 A is, vul dan 250 A in.

Dit is de waarde van de hoofdzekering.
Maximale nettoevoer
Voer het maximale actieve vermogen in dat van het net kan worden afgenomen. Bijvoorbeeld: 50 kW.

Maximale nettoevoer naar het net
Voer het maximale actieve vermogen in dat naar het net kan worden geëxporteerd. Bijvoorbeeld: 100 kW. De Embion EMS Controller zal exportbeperkingscontrollers implementeren voor geconfigureerde zonnepanelenomvormers als het geconfigureerde zonnevermogen de geconfigureerde limiet overschrijdt.

Limiteer per 15 min
Deze functie is standaard uitgeschakeld. Wanneer ingeschakeld, gebruiken alle vermogensregelaars (voor import en export) 15-minutenwaarden voor de regeling. Optioneel kan de regeling enkel voor import of enkel voor export gebruikt worden. Deze functie is alleen relevant wanneer de fysieke netaansluiting aanzienlijk groter is dan het gecontracteerde vermogen op de aansluiting. Wanneer ingeschakeld, zal het systeem de import- en/of exportlimieten vergroten tot de fysieke limiet van het systeem, maar voorkomen dat de geïmporteerde of geëxporteerde energie binnen het kwartier het gecontracteerde vermogen overschrijdt voor dat kwartier.
Voor een goede voorspelling van het verbruik moet een basislastpercentage worden opgegeven. Dit is de verwachte belasting in het systeem wanneer alle regelbare systemen zijn uitgeschakeld. Het verwachte energieverbruik wordt gereserveerd gedurende de 15 minuten.
Gebruik deze functie alleen wanneer de installatie in staat is om hogere vermogens te verwerken. Als de functie niet duidelijk is, schakel deze dan uit!
Netspanningsregeling
De netspanningsregeling kan worden ingeschakeld om een actieve vermogensregelaar toe te passen in de Embion EMS Controller, waarbij de gemeten netspanning wordt gereguleerd. De maximale lijn-neutrale netfase-spanning wordt bepaald. Als deze spanning groter is dan de geconfigureerde maximale netspanning, wordt het ingestelde actieve vermogen van de omvormer verminderd (met behulp van een vaste PI-regelaar). Dit beperkt het actieve vermogen en verlaagt daarmee de netspanning.


De door de omvormer gemeten netspanning is waarschijnlijk hoger dan de spanning bij de ingang van het net of bij de netmeterlocatie. Het is daarom belangrijk ervoor te zorgen dat de maximaal toegestane netspanning ingesteld in de omvormer hoger is dan de geconfigureerde maximale netspanning in de Embion EMS Controller.
De P1 DSMR 4-protocol ondersteunt geen meting van fasevoltages. Daarom is het niet mogelijk om netspanningsregeling te gebruiken wanneer de netmeter een P1 DSMR 4-energiemeter is.
Actieve vermogensregeling
Standaard bepalen het geconfigureerde aantal en vermogen van de zonnepanelen, samen met het geconfigureerde maximale vermogen dat naar het net wordt teruggevoerd en de maximale netstroom, of er een actieve vermogens- of stroomregelaar nodig is voor de configuratie. Standaard is ook een actieve vermogensregelaar voor installatiebesturing geïmplementeerd. Als gebruiker kan deze standaardconfiguratie worden gewijzigd door de instelling Actieve vermogensregeling te wijzigen.
- Auto: (Standaard) afhankelijk van de geconfigureerde limieten wordt een actieve vermogens- en/of stroomregelaar geïmplementeerd
- Forceer uitschakelen: alle vermogensregelaars zijn uitgeschakeld! Installatiebesturing, regeling van de nettoevoerlimiet en netspanningsregeling zijn niet mogelijk. Wees voorzichtig bij het gebruik van deze configuratie!
- Forceer inschakelen: schakelt de installatiebesturing, actieve vermogens- en netstroomregelaar in, ongeacht de hoeveelheid geconfigureerd zonnevermogen. Bij gebruik van deze instelling kan de maximale reductiewaarde worden beperkt door de gebruiker.


Het instellen van de optie “Forceren uitschakelen” schakelt alle actieve vermogensregelaars uit. Er zal geen regeling zijn voor netstroom, vermogen of spanning door de Embion EMS Controller. Ook de vermogensregeling via installatiebesturing is uitgeschakeld! Daarom zullen omvormers niet worden beperkt wanneer de EPEX-prijsregeling actief is.
Veiligheidsmarge
(Deze functie is enkel beschikbaar als de actieve vermogensregeling op “enable” ingesteld is). De “Veiligheidsmarge” is standaard ingesteld op 0. Het stelt een positieve offset in voor het geconfigureerde nettoevoervermogen naar het net. Een voorbeeld: een installatie mag geen vermogen aan het net terugleveren (negatief netvermogen), dus het maximale nettoevoervermogen is ingesteld op 0. Vanwege belastingen die uitgeschakeld worden, zal toch wat energie aan het net worden teruggeleverd. Om dit te voorkomen, kan een veiligheidsmarge worden geconfigureerd. De Embion EMS Controller zal het regelpunt van de regeling compenseren met de veiligheidsmarge. Als het nettoevoervermogen is ingesteld op 0 kW en de veiligheidsmarge is ingesteld op 5 kW, zal de Embion EMS Controller PV- en batterijvermogen beperken op zo’n manier dat geprobeerd wordt om een nettovermogen van 5 kW te handhaven. Wanneer bijvoorbeeld een belasting van 4 kW plotseling wordt uitgeschakeld, zal het netvermogen nog steeds positief zijn en zal de Embion EMS Controller dit corrigeren.
Gebruik de veiligheidsmarge-optie alleen wanneer er een zeer strikt beleid is voor teruglevering aan het net. Het totale verbruik van netstroom en daarmee de kosten zullen toenemen wanneer de veiligheidsmarge wordt gebruikt!
Regelsnelheid
De regelsnelheid staat standaard ingesteld op Normaal. Deze instelling bepaalt de algemene snelheid waarmee de interne regellussen functioneren en de assets worden aangestuurd. Indien een snellere respons gewenst is, kan de snelheid verhoogd worden.
Bij gebruik van de optie Snel is het van belang dat de reactie snelheid van alle assets voldoende is en binnen maximaal 1 seconden de setpoints opvolgen. Assets welke hier niet aan voldoen zullen het systeem instabiel maken!
Laag-vermogen limiet
(Deze functie is enkel beschikbaar als de actieve vermogensregeling op “enable” ingesteld is). Het “laag-vermogen limiet” is standaard uitgeschakeld. Deze functie kan worden ingeschakeld als het maximaal gegenereerde zonnevermogen continu moet worden geregeld (zelfs wanneer het netvermogen of de netstroom niet dicht bij de limiet is). Deze functie voorkomt grote pieken wanneer het zonnevermogen plotseling toeneemt, maar verhoogt ook de opstarttijd van de omvormer. Het inschakelen van deze optie resulteert in aanzienlijk lagere piekvermogens. Het totale geconfigureerde omvormervermogen is vereist om deze functie correct te gebruiken. De functie kan niet correct werken wanneer niet alle omvormers actief zijn, als een van de omvormers niet actief is, wordt de functie tijdelijk uitgeschakeld.


Voor systemen met PV piekafvlakking voor een beperkte hoofdaansluiting is het raadzaam om de optie laag-vermogen limiet in te schakelen. Dit voorkomt hoge teruglever piekstromen die de hoofdzekering kunnen uitschakelen.
Totaal PV omvormer vermogen
(Enkel beschikbaar wanneer Laag-vermogen limiet aan staat). De som van het totaal PV omvormer vermogen in de installatie. Om het Laag-vermogen limiet juist te laten werken dient deze waarde juist ingevuld te worden. Gebruik de nominale omvormer vermogens voor de berekening. Omvormers welke enkel als batterij omvormer gebruikt worden dienen niet meegeteld te worden. Een onjuiste waarde kan resulteren in het vroegtijdig of definitief reduceren van de PV omvormers!
Limiteer minimum vermogens reductie tot 5%
Standaard uitgeschakeld. Deze functie voorkomt dat de gekoppelde PV omvormers verder dan 5% van het nominaal vermogen gereduceerd worden. Hierdoor zal (ook wanneer volledig gereduceerd) het PV vermogen altijd minimaal 5% van het nominaal PV omvormer vermogen opwekken. Sommige types of installaties vragen deze functie te gebruiken.
Forceer het laden van batterij voordat PV gereduceerd wordt
Heeft alleen effect wanneer er een batterij is geconfigureerd is en Laag-vermogen limiet uit staat. Indien ingeschakeld, zal de Embion EMS Controller eerst proberen het laadvermogen van de batterij te maximaliseren voordat het PV-vermogen wordt verminderd. Dit heeft echter invloed op de reactietijd in gevallen waarin één of meer batterijsystemen niet in staat zijn om te laden.
Maximaal vermogenslimiet
Het instellen van het maximale vermogenslimiet op minder dan 100% beperkt consequent het maximale uitgangsvermogen van de omvormers tot het geconfigureerde percentage. Als gevolg zal het maximale uitgangsvermogen van de omvormers nooit worden bereikt, zelfs als de netstroom en de negatieve netstroom hun limieten nog niet hebben bereikt.
Voor “Auto” en “Forceer inschakelen” zijn de volgende opties beschikbaar om het laag-vermogen limiet te configureren:
Sta opschalen PV toe voor import limiet
Functie staat standaard uit. Wanneer de functie geactiveerd wordt, kan het systeem het PV vermogen veder vrijgeven wanneer het import limiet van de installatie bereikt wordt. PV wordt in dit geval gebruikt om het import limit na te streven wanneer het systeem in MIN generation staat. PV wordt gestuurd met PRIO 1, alle andere prioriteiten worden dus eerst afgewerkt.
Batterij opladen met netterugleveringsvermogen
Wanneer deze functie is ingeschakeld, wordt het batterijlaadvermogen verhoogd wanneer het netto actieve net vermogen negatief wordt. Daardoor kan het teruggeleverde netvermogen worden gebruikt om de batterij op te laden. De optie “Automatisch laden toestaan” in de omvormergroep wordt in veel gevallen eerder vrijgegeven dan dat het netvermogen negatief wordt, daardoor heeft deze functie geen/nauwelijks effect wanneer de functie “Automatisch laden toestaan” in de omvormer groep aan staat.
Compenseer eigen verbruik uit batterij
Wanneer deze functie geactiveerd wordt zal het systeem de batterij ontladen om het netverbruik te compenseren. De minimale SoC tot waar de batterij hiervoor gebruikt mag worden is per batterij in te stellen in het inverter menu.
Vlamboog detectie
Deze configuratie zal de instellingen voor externe vlamboog detectie definiëren. Standaard is externe vlamboog detectie uitgeschakeld. Houd er rekening mee dat elke GPIO die wordt gebruikt om verbinding te maken met de externe vlamboog detectie waar moet zijn wanneer er geen vlamboog wordt gedetecteerd!
Configuratie vlamboogdetectie
De volgende gegevens zijn vereist om de configuratie van vlamboog detectie te voltooien:
- Invoertype
- Minimum PAC
- Omvormeradres
Invoertype
Selecteer het invoertype voor vlamboog detectie, de opties zijn:
- In- / uitschakelen
- GPIO (gebruik onboard GPIO voor maximaal 2 omvormers)
- Ext. GPIO (gebruik Modbus GPIO-modules voor meerdere externe vlamboog detecties)
- Beide (Gebruik zowel de interne GPIO als externe GPIO-modules)

De optie ‘Uitschakelen’ zal vlamboog detectie deactiveren, zelfs als de boogdetectiestrategie is geselecteerd. Vlamboog detectie is standaard gedeactiveerd.
Minimum PAC
Voer de minimum PAC (wisselstroomvermogen van de omvormer) in dat per omvormer vereist is voor vlamboog detectie. Als het wisselstroomvermogen van de omvormer niet ten minste zo hoog is als Minimum PAC, terwijl er een detectie wordt uitgevoerd, wordt de detectie genegeerd.

Omvormeradres
Dit menu is alleen zichtbaar als de optie “Beide” is geselecteerd. Hiermee kan de gebruiker de één of twee omvormeradressen selecteren die worden bestuurd door de interne GPIO. De andere adressen worden logisch (van laag naar hoog) toegewezen aan de externe GPIO-modules. Bijvoorbeeld, als 5 omvormers zijn geconfigureerd, 1,2,3,4,5 en slechts 2 externe GPIO-modules zijn geconfigureerd en “Omvormeradres” is ingesteld op 3,4: De eerste GPIO-module is verbonden met omvormer 1, de tweede GPIO-module met omvormer 2 en GPI1 is verbonden met omvormer 3, GPI2 met 4. Omvormer 5 heeft geen boogdetectie aangesloten. Als in deze situatie het “Omvormeradres” op 1 wordt ingesteld, wordt omvormer 1 verbonden met GPI1 en omvormer 2 met externe GPIO 1 en omvormer 3 met externe GPIO 2.

Aansluiten van externe vlamboog detectie
Bij het aansluiten van de externe vlamboog detectie moet u de volgende items controleren:
- Zorg ervoor dat de vlamboog detectie niet vastzit bij detectie.
- Zorg ervoor dat de GPIO van de Embion EMS Controller of de ingang op de externe GPIO HIGH is wanneer er geen detectie wordt uitgevoerd en LOW wanneer er een detectie wordt uitgevoerd.
- Controleer de functionaliteit van de externe vlamboog detectie.
- Controleer de functionaliteit van de geconfigureerde Embion EMS Controller, controleer of de juiste omvormer wordt uitgeschakeld wanneer er een detectie wordt uitgevoerd.
GPIO-besturing
Hiermee kan de gebruiker meerdere regels toevoegen voor de onboard of externe GPIO. Acties kunnen worden geactiveerd op basis van de status van de GPI (General Purpose Input) of statussen kunnen de GPO (General Purpose Output) activeren. De Embion EMS Controller heeft twee GPI en twee GPO aan boord. Het is mogelijk om 4 onafhankelijke GROUP-statussen te configureren, die kunnen worden gekoppeld aan de digitale output van externe IO-modules.
Elke regel die aan de lijst wordt toegevoegd, kan slechts één status beheren, bijvoorbeeld de volgende instelling: “IN1 is HOOG, dan stel Min gen in op WAAR” Zal de generatie beperken wanneer input1 HOOG wordt. Nadat input1 weer LAAG wordt, wordt er geen nieuwe actie geactiveerd, waardoor het systeem in Min gen blijft. Om terug te keren naar normale werking wanneer input1 weer laag is, moet ook de volgende regel worden toegevoegd: “IN1 is LAAG, dan stel Min gen in op ONWAAR”
Het is mogelijk om de volgende variabelen te gebruiken om triggers te definiëren:
- contr. gen. (Control Generation) wat de generatiestatus is die op afstand kan worden ingesteld op MIN, NOM of MAX (standaard NOM)
- contr. cons. (Control Consumption) wat de consumptiestatus is die op afstand kan worden ingesteld op MIN, NOM of MAX (standaard NOM)
- Psolar (System Solar power) wat het werkelijke zonne-energie is (som van zonne-energie van alle omvormers), waarde is ingesteld in kW
- Pgrid (System grid power) wat het actieve stroomverbruik van de netmeter is, waarde is ingesteld in kW
- Reductie wat de werkelijke limietwaarde van de zonne-omvormer is, 0 betekent dat zonne-energie is gereduceerd tot 0% van nominaal, en 100 betekent dat zonne-energie onbeperkt is
- Batterij SoC (gewogen) gemiddelde van de SoC van alle verbonden batterij systemen, waarde is ingesteld in %
- Gesommeerde last meters (som van het actief vermogen van alle last meters), waarde in ingesteld in kW
- Pbatterij het totale (gesommeerde) batterij vermogen in het systeem, waarde is ingesteld in kW
- PRIO de acute last prioriteit (0-10), waar 0 betekend dat alle lasten afgeschakeld zijn en generatie vrijgegeven wordt om het import limiet te behalen, waarde is ingesteld tussen 0 en 10
Als voorbeeld, wanneer GPO1 moet worden ingeschakeld wanneer het netvermogen -10kW is en moet worden uitgeschakeld wanneer het netvermogen 0kW is, kan de volgende regel worden ingesteld:
Groep: GPO1 AAN (geef de actie een logische naam)
Selecteer GPIO: GPO1 (de regel zal GPO1 besturen)
Instellen op: WAAR (De regel zal GPO1 inschakelen)
Wanneer: Pgrid (selecteer netvermogen)
Operator: < (Wanneer kleiner dan)
Waarde: waarde (selecteer vrije waarde-invoer)
Instelwaarde: -10 (stel de waarde in op -10kW)
Groep: GPO1 UIT (geef de actie een logische naam)
Selecteer GPIO: GPO1 (de regel zal GPO1 besturen)
Instellen op: ONWAAR (De regel zal GPO1 uitschakelen)
Wanneer: Pgrid (selecteer netvermogen)
Operator: > (Wanneer groter dan)
Waarde: waarde (selecteer vrije waarde-invoer)
Instelwaarde: 0 (stel de waarde in op 0kW)
Als voorbeeld, wanneer GPO1 moet worden ingeschakeld wanneer de generatiecontrole op afstand is ingesteld op MIN:
Groep: GPO1 AAN (geef de actie een logische naam)
Selecteer GPIO: GPO1 (de regel zal GPO1 besturen)
Instellen op: WAAR (De regel zal GPO1 inschakelen)
Wanneer: contr. gen. (Selecteer generatiecontrole omdat deze waarde op afstand wordt gewijzigd)
Operator: == (Gelijk aan)
Waarde: min (MIN, om GPO1 in te schakelen wanneer contr. gen. is ingesteld op MIN)
Groep: GPO1 UIT (geef de actie een logische naam)
Selecteer GPIO: GPO1 (de regel zal GPO1 besturen)
Instellen op: ONWAAR (De regel zal GPO1 uitschakelen)
Wanneer: contr. gen. (Selecteer generatiecontrole omdat deze waarde op afstand wordt gewijzigd)
Operator: != (Niet gelijk aan)
Waarde: min (MIN, om GPO1 uit te schakelen wanneer contr. gen. NIET is ingesteld op MIN)
De activering en deactivering van een GPO of Groep wordt altijd in twee afzonderlijke acties uitgevoerd. Er kunnen meerdere acties worden aangemaakt die allemaal de GPO in- of uitschakelen.
Generieke asset sturing
Met behulp van Generieke asset sturing kunnen verschillende generieke belastingen of opwekkingseenheden worden aangestuurd.
De volgende invoergegevens zijn vereist om een generieke asset sturing groep te configureren:
- Sturingstype
- Toegewezen uitgangsgroep
- Maximaal vermogen van asset kW
- Selecteer asset prioriteit
- Selecteer asset controletype:
Sturingstype
De volgende Sturingstype kunnen worden geselecteerd:
- Analoge uitgangsgroep: Een analoge uitgangsmodule kan worden toegevoegd in de sectie Randapparatuur. De uitgang van de module wordt aangestuurd op basis van de instellingen die in deze groep zijn ingesteld.
- Embion Modbus server register: Een specifiek register op de Embion Modbus server wordt aan deze groep toegewezen. De uitgang van deze groep zal beschikbaar zijn in het geselecteerde register.
Om de controle Embion Modbus server register te kunnen gebruiken, moet de Modbus TCP Server worden geconfigureerd zie: TCP configuratie
Toegewezen uitgangsgroep
De groep kan worden toegewezen aan een uitgangsgroepnummer wanneer het controletype analoge uitgangsgroep is geselecteerd. Het uitgangsgroepnummer moet overeenkomen met een groepnummer dat is toegewezen in de sectie Hulpapparatuur.
Embion Modbus server register
De groep kan worden toegewezen aan een Modbus Server register wanneer het controletype Embion Modbus server register is geselecteerd. Het registernummer komt overeen met een van de 10 specifieke modbus registers die zijn gespecificeerd in de Modbus interface.
Maximaal vermogen van asset kW
Het maximale uitgangsvermogen van de toegewezen assets in deze groep.
Selecteer asset prioriteit
De prioriteit van deze groep kan hier worden ingesteld. Tot welk prioriteitenbereik de groep behoort wordt bepaald door de instelling “Selecteer asset controletype”
Selecteer asset controletype
De prioriteit van deze groep kan in twee verschillende gevallen worden gebruikt::
- Export: De prioriteit wordt in acht genomen ten opzichte van “Terugleverprioriteit instellen” van een omvormergroep met PV-ondersteuning en de uitgang wordt aangestuurd wanneer exportlimieten worden bereikt
- Import: De prioriteit wordt in acht genomen ten opzichte van de EV prioriteit, Laad- en Ontlaadprioriteit van een omvormergroep met batterijondersteuning en de uitgang wordt aangestuurd wanneer importlimieten worden bereikt
Cascade
De cascadefunctionaliteit is alleen beschikbaar voor Embion EMS Controllers.
Cascade-instelling wordt gebruikt om meerdere controllers in een cascade aan te sturen.
De Upstream controller is de aansturende controller, terwijl de Downstream controller de aangestuurde controller is.
De upstream controller zal de downstream controller(s) aansturen en zal worden gebruikt om het actieve vermogenssetpoint voor de downstream controller(s) in te stellen.

Cascade-instelling
De downstream controller(s) worden aangestuurd door de upstream controller. De downstream controller(s) kunnen het actieve vermogenssetpoint niet zelf instellen; dit gebeurt door de upstream controller.
De upstream is de hoofdcontroller in de cascade. Deze stuurt de downstream controllers aan en wordt gebruikt om het actieve vermogenssetpoint voor de downstream controllers in te stellen.

Upstream
Om een controller als downstream controller te kunnen gebruiken, moet upstream worden ingeschakeld in de configuratie.
Hierdoor kan de controller worden gebruikt in een cascade.

Downstream
Om de downstream controller(s) aan te sturen, voeg je deze toe aan de configuratie.
De volgende instellingen zijn vereist voor het configureren van de downstream controller(s):
- Serienummer downstream controller
- IP-adres downstream controller
- Maximale batterijvermogen van downstream controller (en alle onderliggende controllers)
- Maximale batterijcapaciteit van downstream controller (en alle onderliggende controllers)
- Maximale PV-vermogen van downstream controller (en alle onderliggende controllers)
- Maximale EV-vermogen van downstream controller (en alle onderliggende controllers)
Serienummer downstream controller
Het serienummer van de downstream controller(s) is vereist om deze te identificeren binnen de cascade.

IP-adres downstream controller
Het IP-adres van de downstream controller(s) is vereist om deze te identificeren binnen de cascade.

Maximale batterijvermogen van downstream controller (en alle onderliggende controllers)
Het maximale batterijvermogen van de downstream controller(s) is vereist om het actieve vermogenssetpoint in te stellen.
Dit is de som van het maximale batterijvermogen van alle onderliggende controllers.
Stel in op 0 als er geen batterij is aangesloten.

Maximale batterijcapaciteit van downstream controller (en alle onderliggende controllers)
De maximale batterijcapaciteit van de downstream controller(s) is vereist om het actieve vermogenssetpoint in te stellen.
Dit is de som van de maximale batterijcapaciteit van alle onderliggende controllers.
Stel in op 0 als er geen batterij is aangesloten.

Maximale PV-vermogen van downstream controller (en alle onderliggende controllers)
Het maximale PV-vermogen van de downstream controller(s) is vereist om het actieve vermogenssetpoint in te stellen.
Dit is de som van het maximale PV-vermogen van alle onderliggende controllers.
Stel in op 0 als er geen PV is aangesloten.

Maximale EV-vermogen van downstream controller (en alle onderliggende controllers)
Het maximale EV-vermogen van de downstream controller(s) is vereist om het actieve vermogenssetpoint in te stellen.
Dit is de som van het maximale EV-vermogen van alle onderliggende controllers.
Stel in op 0 als er geen EV-laders zijn aangesloten.

RTI
De RTI-functionaliteit is alleen beschikbaar voor Embion EMS Controllers.
RTI wordt gebruikt om limieten van de netbeheerder te ontvangen.
RTI hardware installatie
Bij gebruik van RTI zijn twee extra apparaten vereist:
- Embion EMS RTI Endpoint
- Endpoint netbeheerder
Neem contact op met uw netbeheerder om de Endpoint netbeheerder te verkrijgen.

Verbind de ETH1-poort van de Embion EMS Controller met de X2-poort van de Embion EMS RTI Endpoint met behulp van de meegeleverde, groene kabel. De ETH0-poort van de Embion EMS Controller kan normaal worden gebruikt.
De X1-poort van de Embion EMS RTI Endpoint moet worden verbonden met de Endpoint netbeheerder. Gebruik een standaard ethernetkabel direct tussen de twee poorten. Het is niet mogelijk om een (lokaal) netwerk te gebruiken tussen de Embion EMS RTI Endpoint en de Endpoint netbeheerder.
RTI configuratie
Om RTI in te schakelen, activeer de besturing door de netbeheerder in het instellingenmenu.


Apparaatinstellingen
Dit gedeelte van de handleiding beschrijft alle apparaatinstellingen en configuraties.
ETH0-instellingen
Toont de actuele status van de ETH0-poort en stelt de gebruiker in staat om de IP-configuratie van de poort te wijzigen.


ETH0-configuratie
ETH0-type
Selecteer het type ETH0-verbinding, de opties zijn:
- DHCP
- STATISCH

Wanneer DHCP is geselecteerd als netwerktype voor ETH0, zijn er geen andere instellingen nodig voor configuratie. Als Static is geselecteerd als ETH0-netwerktype, zijn andere instellingen hieronder nodig.
ETH0 IP-adres
Voer het IP-adres van het ETH0-netwerk in, bijvoorbeeld: “192.168.0.10”.

ETH0 Gateway IP-adres
Voer het IP-adres van de standaardgateway van het netwerk in, bijvoorbeeld: “192.168.0.1”.
Dit veld kan leeg worden gelaten als er geen standaard gateway is voor deze verbinding (en dus geen internetverbinding via deze poort).

ETH0 Netwerkmask
Voer de netwerkmasker in, bijvoorbeeld: “255.255.255.0”.

ETH0 DNS
Voer de DNS-instelling in voor ETH0, bijvoorbeeld: “8.8.8.8”.
Dit veld kan leeg worden gelaten als er geen DNS nodig is.

ETH1-instellingen
Toont de actuele status van de ETH1-poort en stelt de gebruiker in staat om de IP-configuratie van de poort te wijzigen.

ETH1-configuratie

ETH1-type
Selecteer het type ETH1-verbinding, de opties zijn:
- DHCP
- STATISCH

Wanneer DHCP is geselecteerd als netwerktype voor ETH1, zijn er geen andere instellingen nodig voor configuratie. Als Static is geselecteerd als ETH1-netwerktype, zijn andere instellingen hieronder nodig.
ETH1 IP-adres
Voer het IP-adres van het ETH1-netwerk in, bijvoorbeeld: “192.168.0.10”.

ETH1 Gateway IP-adres
Voer het IP-adres van de standaard gateway van het netwerk in, bijvoorbeeld: “192.168.0.1”.
Dit veld kan leeg worden gelaten als er geen standaard gateway is voor deze verbinding (en dus geen internetverbinding via deze poort).

ETH1 Netwerkmask
Voer het ETH1-netwerkmask in, bijvoorbeeld: “255.255.255.0”.

ETH1 DNS
Voer de DNS-instelling in voor ETH0, bijvoorbeeld: “8.8.8.8”.
Dit veld kan leeg worden gelaten als er geen DNS nodig is.

Wi-Fi Instellingen
Toont de actuele status van de ETH0-poort en stelt de gebruiker in staat om de IP-configuratie van de poort te wijzigen.

Wi-Fi Instellingen

Wi-Fi Schakelen
Schakel Wi-Fi in of uit.

Wi-Fi Netwerk
Het apparaat zal vragen om te zoeken naar netwerken. Het zoeken duurt enkele seconden, waarna het netwerk kan worden gekozen uit een lijst.


Wi-Fi Password
Voer het netwerk wachtwoord in en pas de Wi-Fi-instellingen toe.


Het apparaat ondersteunt alleen de WPA2-beveiligingsstandaard en gebruikt DHCP voor automatische configuratie.
Voor optimaal gebruik wordt aanbevolen de ethernetverbinding te gebruiken in plaats van Wi-Fi. Wi-Fi is afhankelijk van de kwaliteit van het netwerk waardoor stabiliteits- en prestatieproblemen voor kunnen komen.
Modbus-instellingen
Dit menu laat de Modbus instellingen zien voor:
- TCP
- RTU-A (X10)
- RTU-B (X11)
- RTU-C (X12)

TCP-configuratie
Client / Server settings
Om de Modbus TCP-server op de Embion EMS Controller TCP in of uit te schakelen, selecteert u de gewenste instelling:
- Client (default)
- Client & Server
De Modbus-client wordt gebruikt om te communiceren met de geconfigureerde assets. De Modbus TCP-server wordt gebruikt om de Embion EMS Controller uit te lezen of te bedienen vanaf een externe controller met Modbus-clientondersteuning. Vraag uw verkoopvertegenwoordiger voor de actuele Modbus register lijst.

Wanneer ‘Client’ is geselecteerd als instelling, zijn er geen andere instellingen nodig voor de Modbus TCP-configuratie. Als ‘Client & Server’ is geselecteerd, zijn andere instellingen hieronder nodig.
Interface
Selecteer de gewenste Modbus-interface. Voor nu is er slechts één interface beschikbaar.

TCP Port
Voer de TCP-poort in voor de Modbus Server TCP-verbinding. De poort wordt gebruikt om de Modbus-server te hosten op het IP-adres van de Embion EMS Controller. Het wordt aanbevolen om poort ‘502’ te gebruiken.

Unit ID
Voer de Modbus unit id in voor de Modbus Server TCP-verbinding. De unit ID wordt gebruikt om de Embion EMS Controller te identificeren in het Modbus-netwerk. Geldige bereik is 1-247, zoals gedefinieerd in het Modbus-protocol.

RTU-configuratie
De volgende invoergegevens zijn vereist om de RTU-configuratie te voltooien:
- Baudrate
- Pariteit
- Databits
- Stopbits
De standaard poortconfiguratie is 9600 8N1.
Baudrate
Selecteer de baudrate voor de RTU-connector, de opties zijn:
- 9600
- 19200
- 38400
- 57600
- 115200
- 230400

Pariteit
Selecteer de pariteit voor de RTU-connector, de opties zijn:
- Geen
- Even
- Oneven

Databits
Selecteer de databits voor de RTU-connector, de opties zijn:
- 8 bits
- 7 bits

Stopbits
Selecteer de stopbits voor de RTU-connector, de opties zijn:
- 1 bit
- 2 bits

GPIO-instellingen
De GPIO-pagina toont de actuele status van de invoerpoorten.


Bestuur GPO
Met dit menu kan de gebruiker rechtstreeks de twee uitvoerpoorten op de Embion EMS Controller bedienen.

Het afdwingen van de GPO-status kan ingaan tegen de beoogde functie!
Systeeminstellingen
Deze pagina toont de actuele verbindingsstatus van de Embion EMS Controller.
- Internet, ja als het apparaat in staat was om naar een extern IP-adres te pingen.
- HUB, gekoppeld als de gebruiker het apparaat al aan de HUB heeft gekoppeld.
- Ondersteuning, toont het ondersteunings-ID wanneer ondersteuning is ingeschakeld.
Systeeminstellingen bevatten
- Scherm-instellingen (Helderheid en contrastinstellingen)
- Taalselectie
- Help


Scherm-instellingen (Dimhelderheid)

Selecteer het lage niveau van de achtergrondverlichtingsintensiteit. De Embion EMS Controller zal de achtergrondverlichting verminderen tot de geconfigureerde intensiteit wanneer de knoppen een tijdje niet worden ingedrukt.
Scherm-instellingen (Contrastinstellingen)

Configureert het contrast van het scherm. Door over de opties te zweven, zal het contrast van het scherm veranderen naar de geselecteerde intensiteit.
Taalselectie
Configureert de systeemtaal voor alle status- en configuratiepagina’s.

Gegevens uploadinterval en data besparing
Een uploadinterval van 1 (standaard), 5 of 15 minuten kan worden geconfigureerd voor asset-gegevens van EMS naar HUB. Dit kan nuttig zijn in situaties met een datalimiet, zoals bij gebruik van een 4G-modem. Gegevens die met een interval van 5 of 15 minuten worden geüpload, kunnen later niet worden teruggezet naar een kleiner interval.
Fabrieksreset
Voert een fabrieksreset van het apparaat uit. Wees ervan bewust dat dit proces alle gebruikersinstellingen en configuraties verwijdert, waardoor het apparaat in de oorspronkelijke staat wordt teruggebracht. Het apparaat vraagt twee keer om bevestiging.


Na bevestiging zal het apparaat opnieuw opstarten en resetten. Dit duurt minder dan een minuut, waarbij er niets op het display wordt weergegeven en beide status-LED’s uit zullen zijn. Zodra dit is voltooid, wordt u gepresenteerd met de wizard Eerste Gebruik om het apparaat opnieuw in te stellen. Houd er rekening mee dat de licentie niet wordt beïnvloed door de reset en niet tijdens dit proces zal worden verwijderd.
Help
Toont een QR-code met een link naar de online handleiding van de Embion EMS Controller. Gebruik je telefoon om de QR-code te scannen en de handleiding te openen.
Update-instellingen


Zoeken naar updates
Verifieer handmatig of er software-updates beschikbaar zijn. De Embion EMS Controller moet zijn verbonden met internet om te controleren op nieuwe updates.

Installatiestrategie
Selecteert de strategie om updates uit te voeren. Twee opties zijn beschikbaar:
- Automatisch: Embion EMS Controller downloadt en installeert automatisch beschikbare updates ’s nachts.
- Handmatig: Indien ingeschakeld wordt een melding getoond wanneer een update beschikbaar is. Het apparaat installeert updates niet automatisch.

Meldingen
Schakel update-meldingen in of uit op de Embion EMS Controller.

Installatiebesturing
Deze pagina toont de werkelijke status van de installatiebesturing. Wanneer er momenteel geen installatiebesturingsopdracht wordt uitgevoerd, is de status “inactief” en bevatten alle items “–”. Wanneer er op afstand een installatiebesturingsopdracht wordt gegeven, wordt de status “actief” en wordt de gegeven opdracht weergegeven bij het juiste item.
Wanneer een installatiebesturingsopdracht actief is, wordt de externe LED blauw.
Wanneer er geen installatiebesturing actief is, toont de installatiebesturingspagina een inactieve status:


Wanneer de installatiebesturing actief is, toont de installatiebesturingspagina een actieve status met de huidige besturingswaarde. In dit voorbeeld staat het besturingsitem ingesteld op generatie naar min met een geldige tijd (TTL) van 300 seconden.


Bijlagen
Apparaatspecifieke instructies
Amtron 4you RTU configuratie
Dit hoofdstuk beschrijft hoe de Amtron 4you RTU EV-ladermodellen moeten worden ingesteld. Raadpleeg de bijbehorende installatiehandleiding voor gedetailleerde instructies over het installeren van de Amtron-lader.
Benodigde instellingen op de Embion EMS Controller:
- RTU-instellingen: 57600 baud, geen pariteit, 2 stopbits, 8 databits
- Gebruik apparaat-ID 50 (standaard ingesteld op het Amtron RTU-apparaat)
Benodigde instellingen op de Amtron 4you (300-serie):
- Zet in DIP-schakelaarbank S1 minimaal schakelaar nr. 4 en 5 in de AAN-positie.
ABL eM4 configuratie
Raadpleeg de respectievelijke installatiehandleiding voor gedetailleerde instructies over het installeren van de eM4-lader.
ABL eM4 Extender-apparaten worden uitgelezen via de Controller.
Als alle Extenders correct zijn toegevoegd aan de Controller, dient het totaal aantal sockets (van de Controller en alle Extenders bij elkaar opgeteld) ingevoerd te worden.
De softwareversie van de eM4 Controller moet 2.2 of hoger zijn om compatibel te zijn met de Embion EMS Controller.
Aiswei Configuratie
De standaard toegestane vermogens verandering van de omvormer is te laag om goede prestaties te garanderen.
Deze instelling is aan te passen in de Solplanet App:
Inverter configuration -> Active power settings -> Active power increase/decrease gradient
Het is aanbevolen deze in te stellen op de maximale waarde.
EVBox
Dit hoofdstuk beschrijft hoe de RS485-kabel moet worden aangesloten op EVBox laders. Raadpleeg de respectievelijke installatiehandleiding voor gedetailleerde instructies over hoe de EVBox EV laders te installeren.
Voor informatie over hoe de EVBox laders te installeren en/of in gebruik te nemen, raadpleeg de officiële documentatie verstrekt door EVBox.
EVBox G3
Om de G3 aan te sluiten, installeer een RS485-kabel van de Embion EMS Controller naar de RS485-poort op de G3 HUB(s). De G3 Satellieten moeten worden verbonden met de G3 HUB volgens de instructies van EVBox.

EVBox G3 master / slave setup. Bron: EVBox handleiding
De RS485-kabel moet worden aangesloten op de RS485-poort op elke G3 HUB zoals getoond in de onderstaande afbeelding.

EVBox G3 RS485-connector
EVBox G4
Om de G4 aan te sluiten, installeer een RS485-kabel van de Embion EMS Controller naar de RS485-poort op de G4 HUB(s). De G4 Satellieten moeten worden verbonden met de G4 HUB volgens de instructies van EVBox.

EVBox G4 master / slave opstelling. Bron: EVBox handleiding
De RS485-kabel moet worden aangesloten op de RS485-poort op elke G4 HUB zoals getoond in de onderstaande afbeelding.

EVBox G4 RS485-connector
Chint DTSU666 instellen
Van de Chint DTS666 met CT klemmen zijn twee verschillende versies in omloop. Sommige houden al direct rekening met de CT verhouding en de overige niet.
De meest voorkomende variant houdt al rekening met de CT verhouding en is beschikbaar met protocol Chint DTSU666
Mocht bij het instellen de stroom en vermogen niet overeenkomen met het display (te lage waardes), kies dan voor type DTSU666 (Gain)
Flexicharge AC lader socket instellingen
Voor de Flexicharge AC lader is socket 1 beschikbaar op port 502 en socket 2 op port 503. Deze poort dient niet gewijzigd te worden, want anders vervalt de ondersteuning voor socket 2.
Indien socket 2 niet beschikbaar is, neem dan contact op met Flexicharge.
Solax X3 Ultra Hybride - Firmware update
Voor de Solax X3 Ultra Hybride is er een speciale firmwareversie beschikbaar. Om de omvormer(s) te updaten naar de juiste firmware, neem dan contact op met service.bnl@solaxpower.com
































